EasyManua.ls Logo

Carson DAZZLER RTR - Appendix; Exploded View; Apéndice; Vista Explosionada

Carson DAZZLER RTR
62 pages
Print Icon
To Next Page IconTo Next Page
To Next Page IconTo Next Page
To Previous Page IconTo Previous Page
To Previous Page IconTo Previous Page
Loading...
74
WWW.CARSON-MODELSPORT.COM
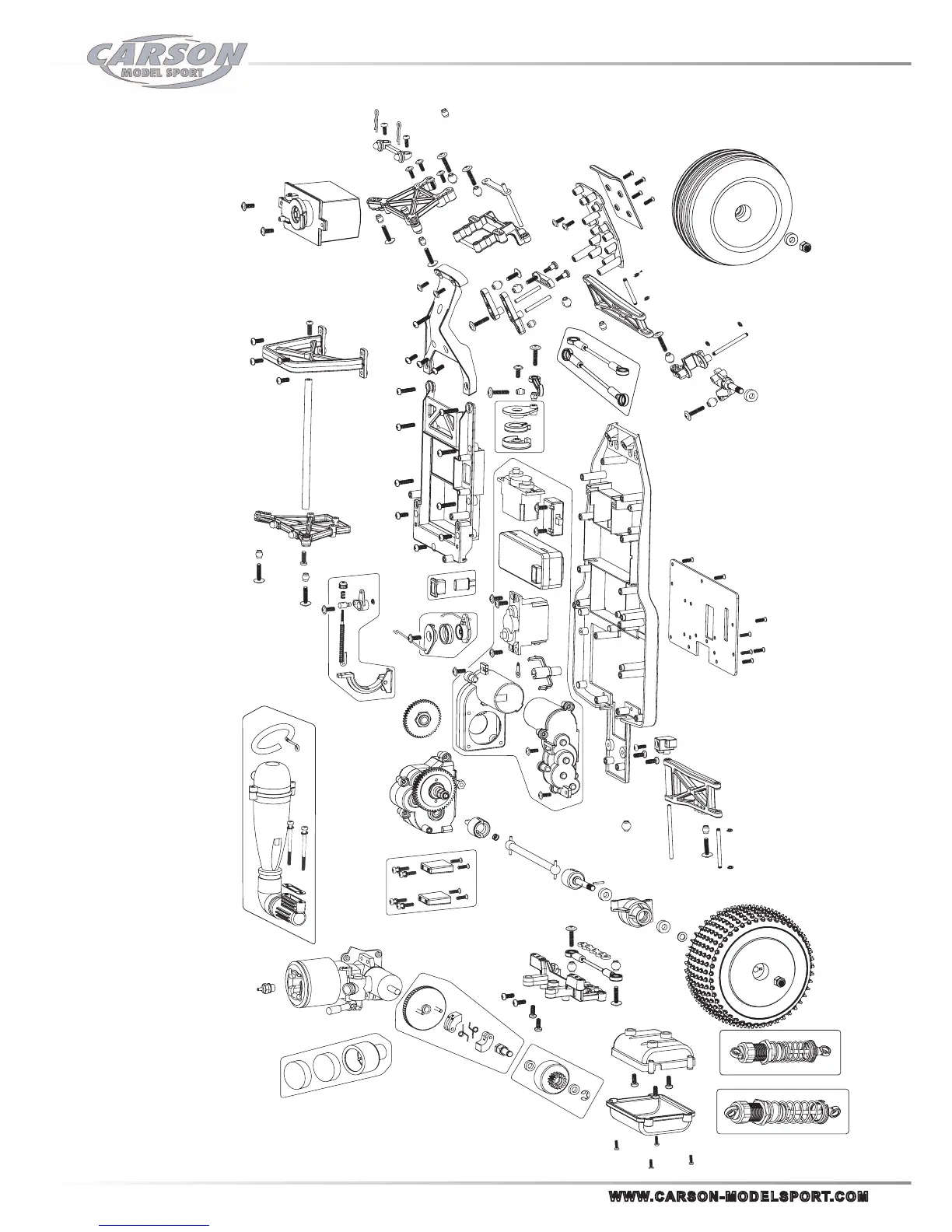
2WD Buggy DAZZLER
Explosionszeichnung
Exploded view
Vista explosionada
Disegno esploso

Table of Contents

Related product manuals