EasyManua.ls Logo

Casio AP-200 - 21 Tone Parameters

Casio AP-200
42 pages
Print Icon
To Next Page IconTo Next Page
To Next Page IconTo Next Page
To Previous Page IconTo Previous Page
To Previous Page IconTo Previous Page
Loading...
– 34
(to CN212:PSA1)
(to CN9:MDA1)
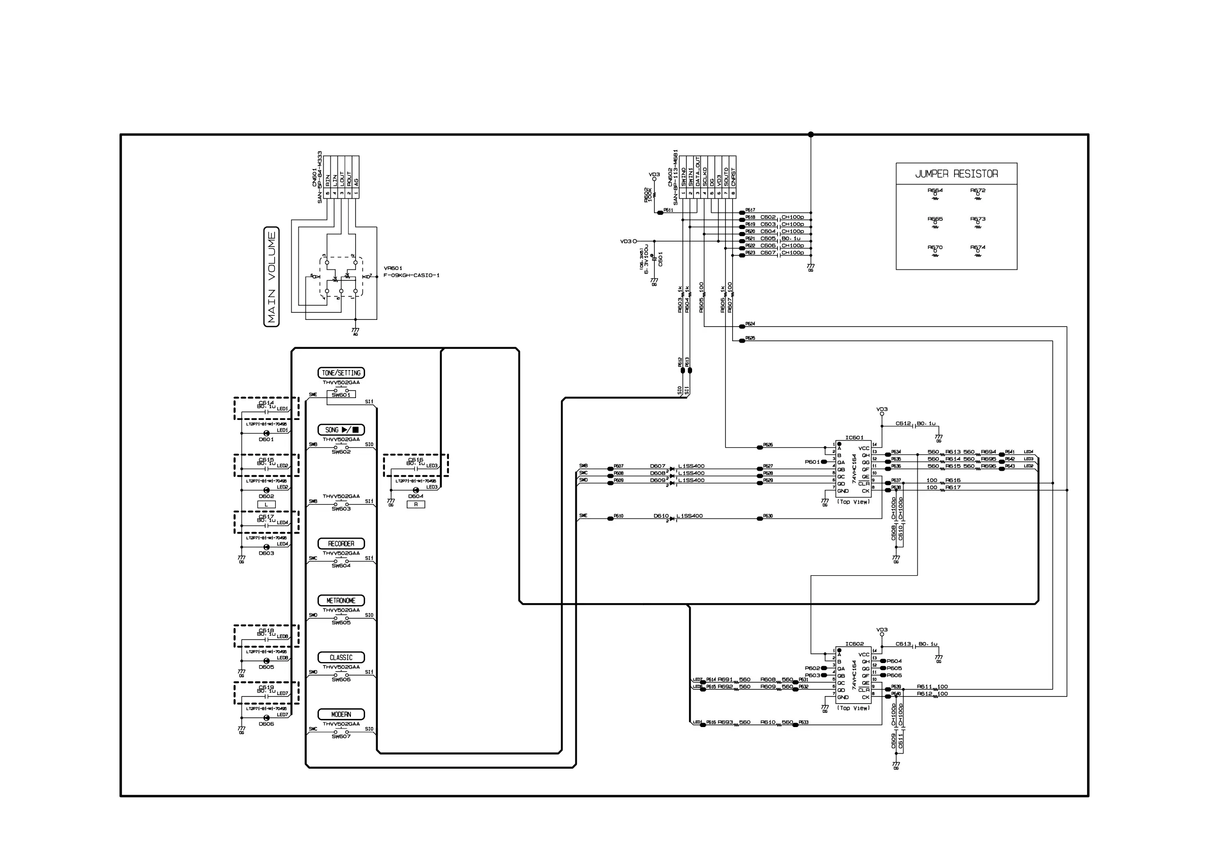
Console PCB M333-CNA1

Other manuals for Casio AP-200

Related product manuals