EasyManua.ls Logo

Casio KL-1500 - BLOCK DIAGRAM

Casio KL-1500
23 pages
Print Icon
To Next Page IconTo Next Page
To Next Page IconTo Next Page
To Previous Page IconTo Previous Page
To Previous Page IconTo Previous Page
Loading...
— 3 —
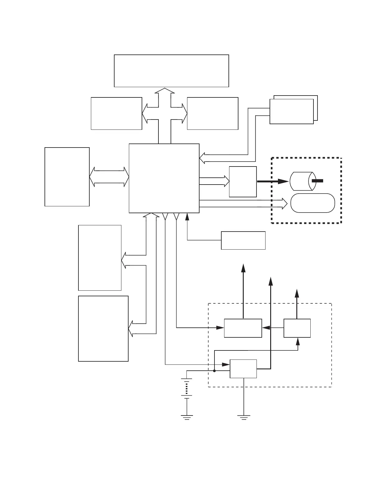
Figure-3
BLOCK DIAGRAM
Motor
driver
BA12003
LCD 49 X 32
CD427-TS
CPU
T6C37
Keyboard
RAM
CXK5864CM-10LL
ROM
TC531001CF-15
LCD driver
HD44102CH
SEGMENTCOMMON
LCD driver
HD44105H
Thermal
Head
Chassis unit
RH5VL45AA-T1
Reset IC
IC5
Q1 / Q2
BT X 6
VCON
VDD1
( +5V for digital circuit)
VDD2
(+5V for RAM)
VP
(+9V for printer)
TCON
Comparator
BA10339F-T1
POWER SUPPLY
Q3 / Q4

Related product manuals