EasyManua.ls Logo

Casio KL-8200 - Power Supply

Casio KL-8200
20 pages
Print Icon
To Next Page IconTo Next Page
To Next Page IconTo Next Page
To Previous Page IconTo Previous Page
To Previous Page IconTo Previous Page
Loading...
— 11 —
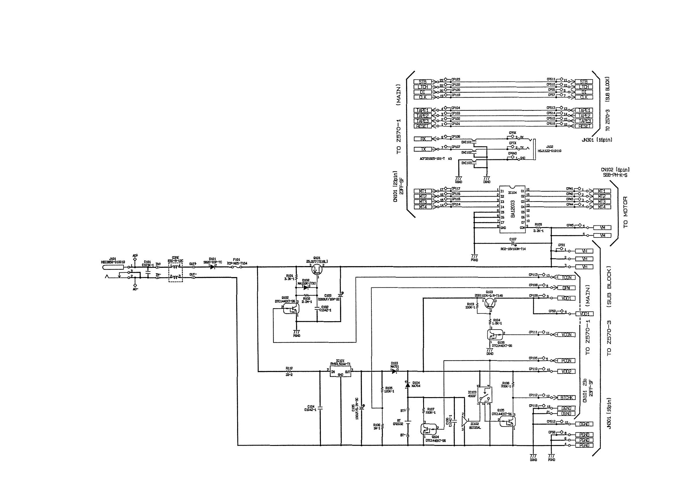
10-2. Power Supply

Related product manuals