EasyManua.ls Logo

Casio PX-300 - Casio PX-300 Block Diagram

Casio PX-300
29 pages
Print Icon
To Next Page IconTo Next Page
To Next Page IconTo Next Page
To Previous Page IconTo Previous Page
To Previous Page IconTo Previous Page
Loading...
— 2 —
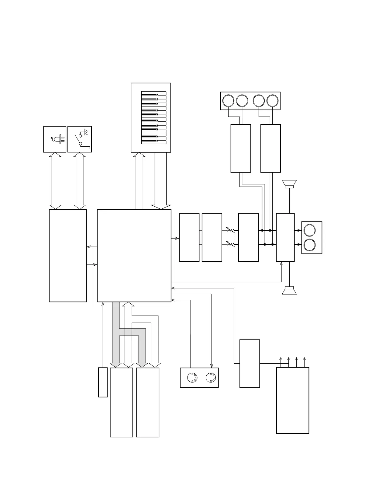
BLOCK DIAGRAM
Power AMP
LA4636
IC203
Filter
NJM2068M
IC12
D/A Converter
UPD63200GS
IC14
RESET
IC15, Q7
Filter
NJM2068M
IC11
ROM(8MB)
MR27V6402 G05FTNZ04
IC7
Main Volume
Mute
BCK, SD0, LRCK
RXDITXDO
HEADPHONE
MIDI
Keyboard
LED
Button/LED Controller
UPD65881GK-002-9ET
IC601
MPU
ML6763-NNTC-116
IC6
Button
IN
OUT
PEDAL
FI0~10
SI0~10
KC0~7
MA1~22
MD0~15
RAM(128K×16 Static RAM)
CY62136VLL-55ZIT
IC13
VC(12V)
VD5(5V)
VE5(5V)
VA5(5V)
Power Supply
IC202, Q205, D207
MA1~17
MD0~15
SPSP
RESET
MOUT
MIN
DAMP, SOFT
LR
LINE OUT
LINE IN
L
R
L
R
Filter
NJM2068M
IC205
Filter
NJM2068M
IC204

Related product manuals