EasyManua.ls Logo

CellarCool Ultimate 3300 - Ultimate 3300, 4400, & 8800 Wiring Diagram

Default Icon
34 pages
Print Icon
To Next Page IconTo Next Page
To Next Page IconTo Next Page
To Previous Page IconTo Previous Page
To Previous Page IconTo Previous Page
Loading...
ULT 072517
Page 22 | 1-855-235-5271
Ultimate Series
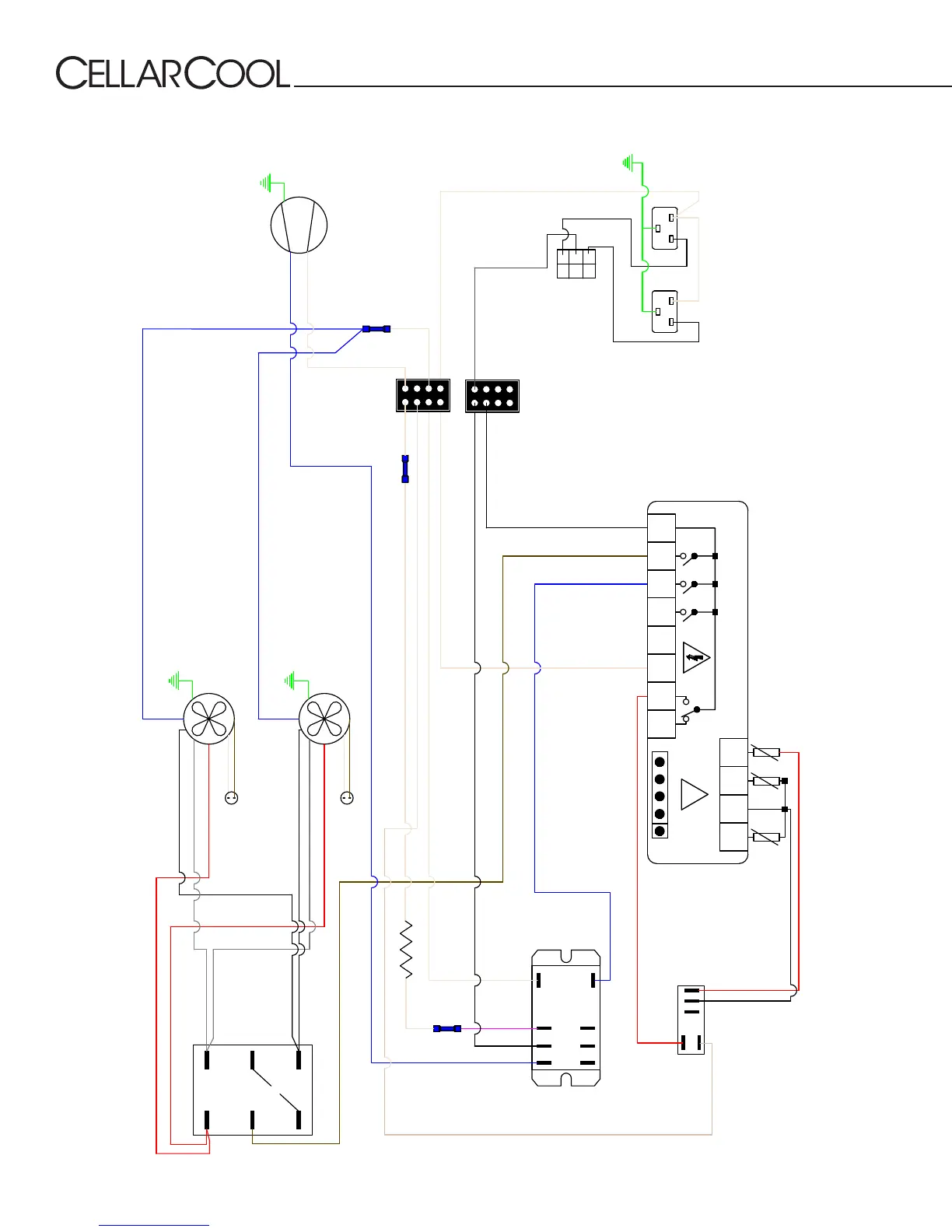
ULTIMATE 3300, 4400, & 8800 WIRING DIAGRAM
NC C NO
3 4 2
7 8 6
1
0
Front
Receptacle
Rear
Receptacle
Condenser
Fan
Evaporator
Fan
Compressor
Capacitor
Capacitor
red
grey
black
blue
red
grey
black
blue
brown
white
brown
white
crankcase heater
blue
white
blue
black
black
white
white
purple
white
black
blue
4
5
6
3
2
1
FRONT/REAR SWITCH
black
5
2
4 1
6 3
Fan Speed
Switch
Compressor
Relay
Low
Med
High
9 10
11 12
!
Max
16A
16(5)A
8(3)A 250V~
1 2 3 4
5
6 7 8
Evap.
Room
5A 250V~
8(3)A 250V~
line
fan
comp
neutral
white
black
3
4
2
1 5
Anti-Frost
Relay
red
red
black
D.I.
brown
white
white
white