EasyManua.ls Logo

Central Pneumatic 69704 - Assembly Diagram

Central Pneumatic 69704
20 pages
Print Icon
To Next Page IconTo Next Page
To Next Page IconTo Next Page
To Previous Page IconTo Previous Page
To Previous Page IconTo Previous Page
Loading...
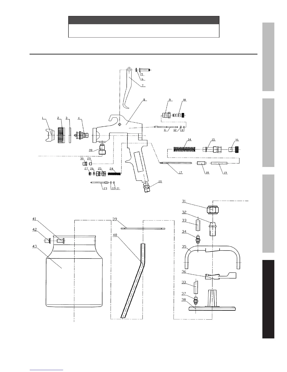
Page 19For technical questions, please call 1-800-444-3353.Item 69704
NOTICE
Clean the Spray Gun IMMEDIATELY after use.
Delayed or inadequate cleaning will permanently clog the Spray Gun.
Assembly Diagram
SAFETYOPERATIONMAINTENANCE SETUP

Related product manuals