EasyManua.ls Logo

Central Pneumatic 90115 - Assembly Drawing; Maintenance

Central Pneumatic 90115
8 pages
Print Icon
To Next Page IconTo Next Page
To Next Page IconTo Next Page
To Previous Page IconTo Previous Page
To Previous Page IconTo Previous Page
Loading...
Page 7
SKU 90115
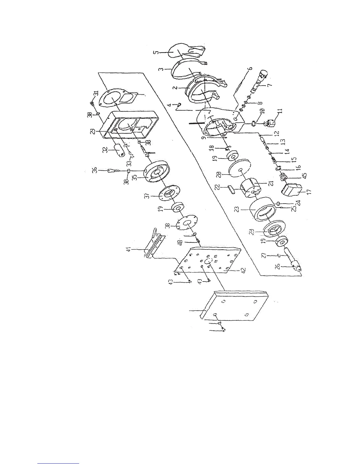
Assembly Drawing
Maintenance
1
44
28
30
34
30
Warning! Disconnect the Sander from the air source before doing any maintenance.
1. Before each use check the sandpaper. If it is worn or torn, replace it.
2. Before each use apply a few drops of Pneumatic Tool Oil to the Lever pivot area.
See FIGURE 1 on page 5.
3. Wipe down the Sander after each use. Do not use solvents or abrasive chemicals to clean
the Sander.

Related product manuals