EasyManua.ls Logo

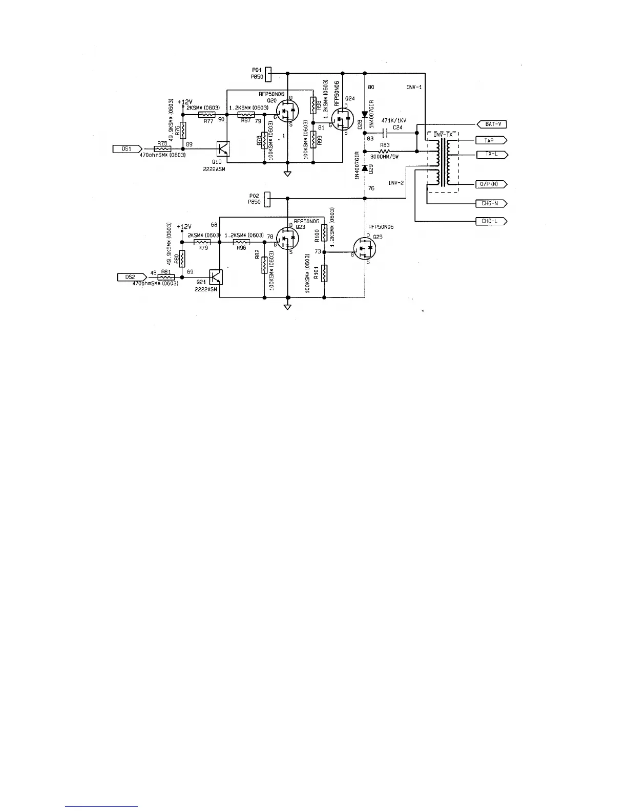
Centralion 400VA - Figure S-4 Inverter Circuit

Default Icon
33 pages
Print Icon
To Next Page IconTo Next Page
To Next Page IconTo Next Page
To Previous Page IconTo Previous Page
To Previous Page IconTo Previous Page
Loading...
Figure S-4 Inverter circuit
14

Related product manuals