EasyManua.ls Logo

Centralion 400VA - Interface Circuitry; Communication Port Details; RS232 Communication

Default Icon
33 pages
Print Icon
To Next Page IconTo Next Page
To Next Page IconTo Next Page
To Previous Page IconTo Previous Page
To Previous Page IconTo Previous Page
Loading...
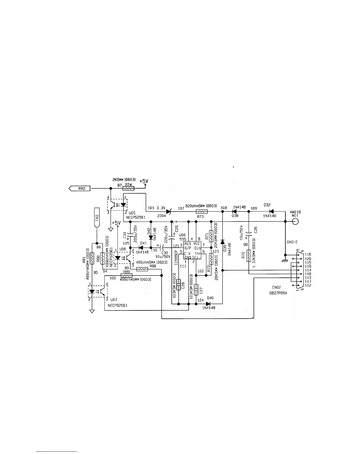
K. Interface Circuit
The interface circuit (refer Figure S-6) consists three kinds of signal – relay signal, RS232
series communication, and plug & play for Windows 95.
The communication port is a D type 9 pin connector and its pin definition is :
pin1 : N.C
pin2 : RS232 transmit
pin3 : RS232 receive
pin4 : connect with pin 6
pin5 : common
pin6 : connect with pin 4
pin7 : connect PC
pin8 : N.C
pin9 : N.C.
Figure S-9 RS232 circuit
27

Related product manuals