EasyManua.ls Logo

CFMoto CF500 - Page 243

Default Icon
254 pages
Print Icon
To Next Page IconTo Next Page
To Next Page IconTo Next Page
To Previous Page IconTo Previous Page
To Previous Page IconTo Previous Page
Loading...
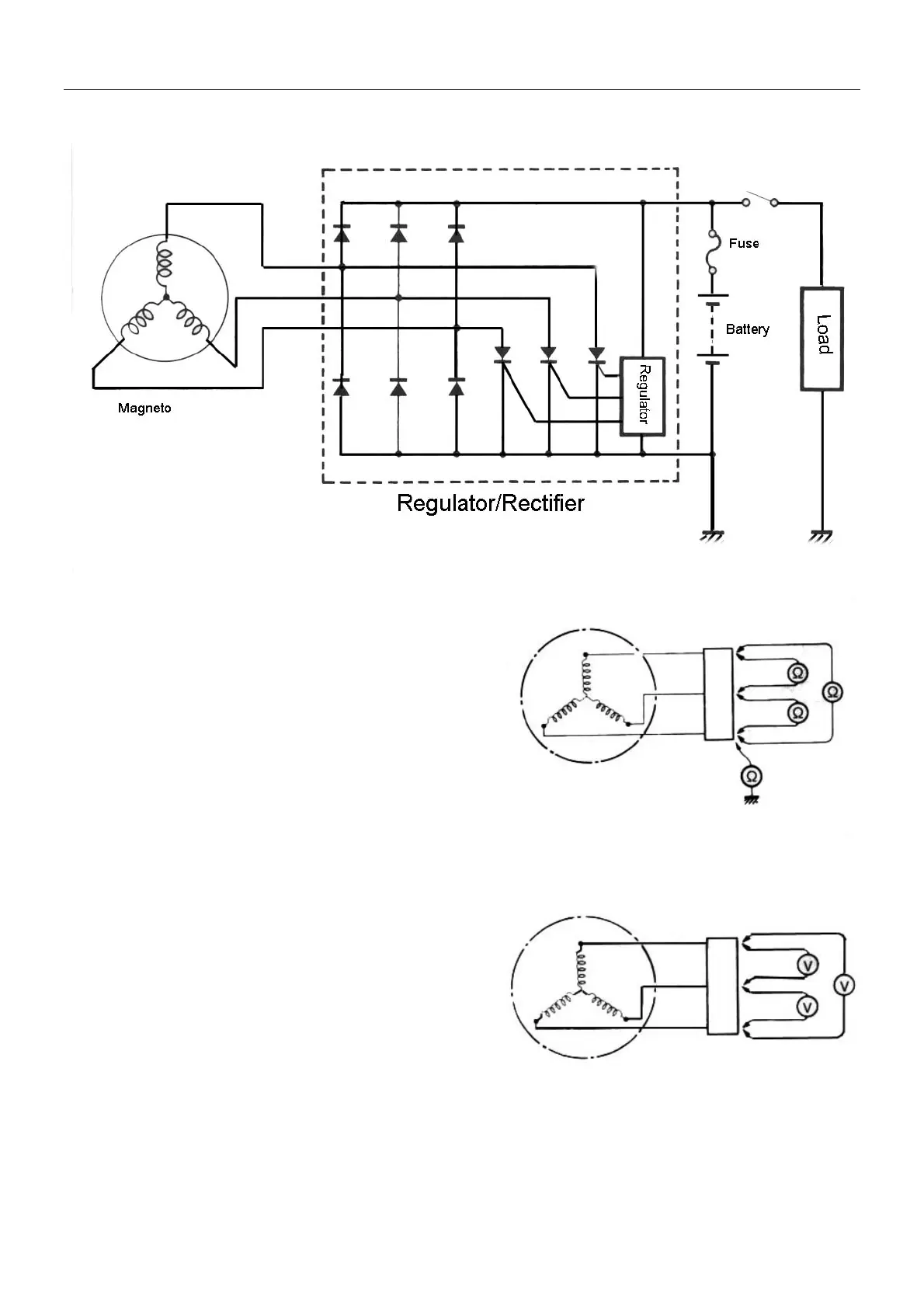
18. Electrical System
Charging System
Resistance of Generator Coil
z Measure resistance between the three lead wires;
z Replace a new stator coil if resistance not within
specified value,
z Check that the generator core is insulated.
Set multimeter at 1×10
Generator Coil Resistance : 0.9-1.5(Yellow-Yellow)
Insulate Resistance: ∞Ω(Yellow-Earthing wire)
Generator Non-load Performance
z Start engine run it at 5000r/min
z Measure AC voltage between three lead wires of
generator with multimeter.
z Replace the generator if the voltage is lower than
the specified value.
Set Multimeter to AC Position
Generator Non-load Performance:
200V (AC) at 5000r/min
18-2

Related product manuals