EasyManua.ls Logo

CFMoto CF500 - Starting Motor Service

Default Icon
254 pages
Print Icon
To Next Page IconTo Next Page
To Next Page IconTo Next Page
To Previous Page IconTo Previous Page
To Previous Page IconTo Previous Page
Loading...
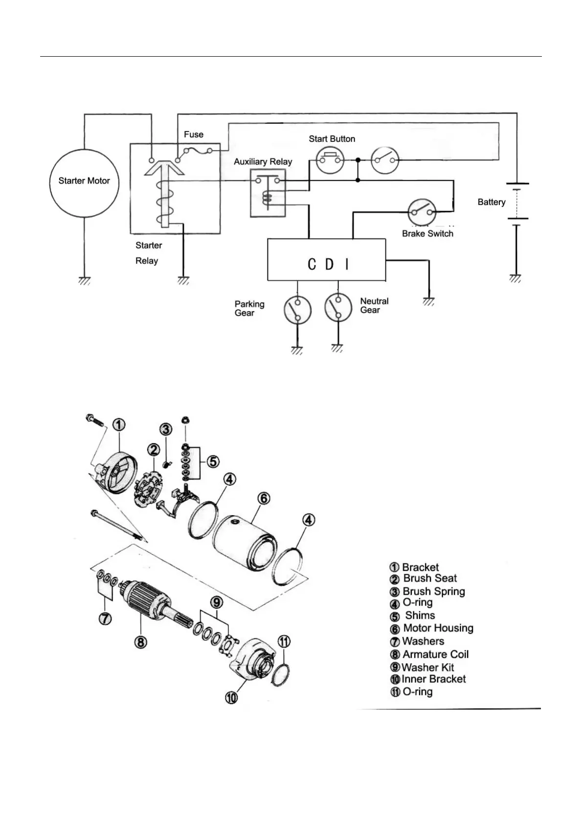
18. Electrical System
Starting System
Starting Motor
18-4

Related product manuals