EasyManua.ls Logo

Chamberlain SL585 - WIRING DIAGRAMS AND SCHEMATICS

Chamberlain SL585
40 pages
Print Icon
To Next Page IconTo Next Page
To Next Page IconTo Next Page
To Previous Page IconTo Previous Page
To Previous Page IconTo Previous Page
Loading...
26
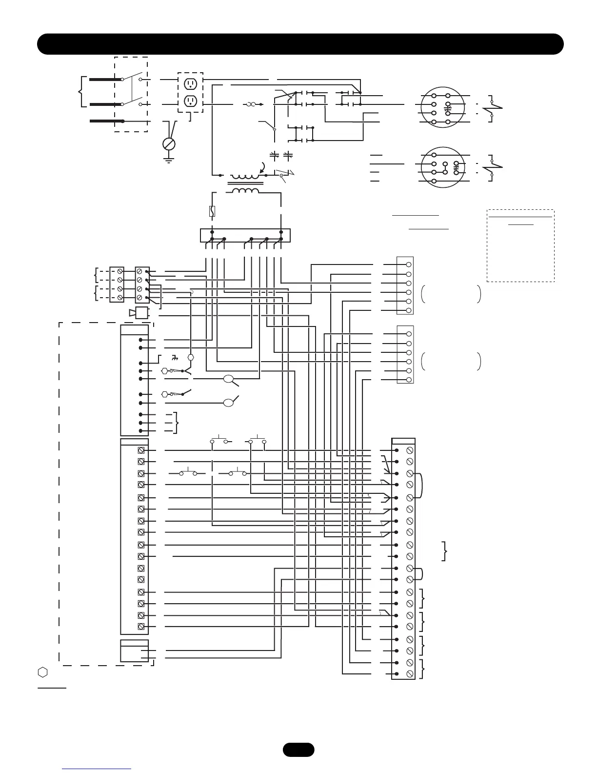
1 PHASE
POWER IN
ON/OFF
SWITCH
6
(W)
8
4
5
1
2
3
(BK)
(BK)
(BL/BK)
(BL/BK)
1
2
5
A
B
115V MOTOR
CONNECTION
GROUNDED DUPLEX
OUTLET (115V ONLY)
3
4
B
4
115V ONLY
A
A
B
2
1
6
115V ONLY
BLACK (SL595 ORANGE)
(SEE NOTE 2)
208/230V ONLY
O/L
3
5
GROUND
115V BRAKE
SOLENOID
(BK)
(GN)
(BK)
(BK)
(PU) (SL595 RD)
(PU) (SL595 RD)
(BL)
(YE) (SL595 WH)
(GY) SL595 GN)
(YE) (SL595 WH)
(GY) (SL595 GN)
(W)
MOTOR OVERLOAD
(SEE NOTE 3)
PRIMARY
L1
L2
8
4
5
1
2
3
(BK)
(BK)
(BL/BK)
(BL/BK)
208V/230V MOTOR
CONNECTION
230V BRAKE
SOLENOID
(BL)
TO REVERSE MOTOR
DIRECTION INTERCHANGE
PURPLE & GRAY WIRES
ON MODEL SL585
OR THE RED & GREEN WIRES
ON MODEL SL595
INTERNAL MOTOR
WIRING
1 - BLUE
2 - WHITE
3 - ORANGE
4 - YELLOW
5 - BLACK
8 - RED
O/L - BROWN
24V Sec.
FUSE
3.15A
(TB 2)
AB CD
24VAC
RADIO
SIGNAL
RADIO BLOCK
FACTORY INSTALLED RADIO
R1
R2
R3
R4
(BL)
(BL)
(YE)
4
6
7
8
9
10
4
6
7
8
9
10
TB 1
1
2
3
4
5
6
7
8
9
10
11
12
13
14
15
16
17
18
19
20
-
+
SAFETY ALARM
(100 db)
J4 PLUG
1
2
DUAL
GATE
J1-1
J1-2
J1-3
J1-4
J1-5
J1-6
J1-7
J1-8
J1-9
J1-10
J1-11
J1-12
J1-13
J1-14
J1-15
J1-16
J1 PLUG
STOP RESET
OPEN
CLOSE
FREE EXIT
LOOP HARNESS
10 PIN - 1,2,3,5
CAPPED
INTERRUPT (SAFETY)
LOOP HARNESS
10 PIN - 1,2,3,5
CAPPED
J2 PLUG
J2-3
J2-4
J2-5
J2-6
J2-7
J2-1
J2-8
J2-9
J2-10
J2-11
J2-2
L/S B
NC
COM
NC
COM
L/S A
B
A
A1
A2
A1
A2
RPM
SENSOR
GL CONTROL BOARD
24VAC-IN
24VAC-COMMON
SOFT OPEN
NC
"B" LIMIT
CONTACTOR B
"A" LIMIT
CONTACTOR A
RPM - IN
RPM - SUPPLY
RPM GND
RADIO COMMAND
SHADOW
+24VDC
CLOSE
STOP
SOFT OPEN
HARD OPEN
INT. LOOP
OBS. OPEN
OBS. CLOSE
24 VAC-COMMON
DC-GND
LOCK 1
LOCK 1
ALARM 1
ALARM 1
RADIO
SHADOW
VDC COM
CLOSE
STOP/COM
SOFT OPEN
HARD OPEN
INTERRUPT (SAFETY)
OPEN
CLOSE
MASTER / SECOND
MAGLOCK
24 VAC
INTERRUPT LOOP (SAFETY)
EXIT LOOP
FIELD CONNECTIONS
EDGE/PHOTOEYE (SAFETY)
(W)
(W)
(YE)
(BK)
(Y/BK)
(RD)
(SEE NOTE 1)
NOTES:
1) Transformer primary voltage same as operator line voltage 24V secondary 60VA.
2) Wire color: 115V black, 208V red, 230V orange.
3) Single phase units are equipped with an external line break device and may be
equipped with an additional internal pilot duty thermal o/l device.
4) Outlet wiring: Black wire to brass screw, white wire to silver screw and green wire to green screw.
(BK)
(WH)
(RD)
(BK)
3
2
1
(GN)
(WH)
(RD)
(BK)
(BRN)
(GY)
(GN)
(WH)
(RD)
(BK)
(BRN)
(GY)
(BL)
(YE)
(GN)
(PU)
(OR)
(PU)
(PU/WH)
(Y/BK)
(GN)
(Y/BK)
(BRN)
(OR)
(GN)
(GY)
(OR/BK)
(BK)
(BK)
(BL)
(RD)
(WH)
(RD)
(WH)
(PU)
(P/W)
(Y/BK)
(GN)
(Y/BK)
(Y/BK)
(WH)
(BRN)
(OR)
(GN)
(GY)
(OR/BK)
(WH)
(RD)
(BK)
(BK)
(BL)
(YE)
(GY)
(BRN)
(GY)
(BRN)
(Y/BK)
(OR)
(Y/BK)
(GN)
(Y/BK)
(YE)
(YE)
(BL)
(BL)
(BRN)
(W)
(B
K
)
(BK)
(W)
(PU)
(OR)
(B
K
)
(BL)
(BL)
(BK)
(BK)
(YE)
(YE)
(YE)
(RD)
(RD)
= TERMINAL BLOCK IN LIMIT SWITCH ENCLOSURE (SL595 ONLY).
(GN)
(S)
(S)
(B)
(B)
(W)
(NOTE 4)
40-32352D
ΣΙΝΓΛΕ ΠΗΑΣΕ ΣΧΗΕΜΑΤΙΧ

Related product manuals