EasyManua.ls Logo

Chamberlain SL585 - Page 28

Chamberlain SL585
40 pages
Print Icon
To Next Page IconTo Next Page
To Next Page IconTo Next Page
To Previous Page IconTo Previous Page
To Previous Page IconTo Previous Page
Loading...
28
6
2
1
3
7
9
1
2
5
A
B
3
4
B
4
A
A
B
2
1
6
OVERLOAD
3
5
230V
BRAKE
SOLENOID
(BK)
(GN)
(BK)
(GY) (SL595 GN)
(PU) (SL595 RD)
(BK)
(YE) (SL595 WH)
(GY) (SL595 GN)
(PU) (SL595 RD)
(YE) (SL595 WH)
(GY) (SL595 GN)
(PU) (SL595 RD)
(YE) (SL595 WH)
(WH)
PRIMAR
BLACK (SL595 ORANGE)
Y
L1
L2
230V
BRAKE
SOLENOID
(BK)
(BK)
(SEE NOTE 3)
(BK)
(BK)
(BK)
8
4
5
6
2
1
3
7
9
(BK)
(BK)
8
4
5
6
230V CONNECTION
460V CONNECTION
575V
BRAKE
SOLENOID
2
1
3
(BK)
(BK)
575V CONNECTION
(SEE NOTE 2)
24V Sec.
FUSE
3.2A
(TB 2)
AB CD
24VAC
RADIO
SIGNAL
RADIO BLOCK
R1
R2
R3
R4
(BL)
(BL)
(YE)
4
6
7
8
9
10
4
6
7
8
9
10
TB1
1
2
3
4
5
6
7
8
9
10
11
12
13
14
15
16
17
18
19
20
-
+
J4 PLUG
1
2
J1-1
J1-2
J1-3
J1-4
J1-5
J1-6
J1-7
J1-8
J1-9
J1-10
J1-11
J1-12
J1-13
J1-14
J1-15
J1-16
J1 PLUG
FREE EXIT
LOOP HARNESS
10 PIN - 1,2,3,5
CAPPED
INTERRUPT
(SAFETY)
LOOP HARNESS
10 PIN - 1,2,3,5
CAPPED
J2 PLUG
J2-3
J2-4
J2-5
J2-6
J2-7
J2-1
J2-8
J2-9
J2-10
J2-11
J2-2
L/S B
NC
COM
NC
COM
L/S A
B
A
A1
A2
A1
A2
(YE)
(BK)
(Y/BK)
(RD)
(SEE NOTE 1)
= TERMINAL BLOCK IN LIMIT SWITCH ENCLOSURE (SL595 ONLY).
(WH)
(RD)
(BK)
3
2
1
(GN)
(WH )
(RD)
(BK)
(BRN)
(GY)
(GN)
(WH )
(RD)
(BK)
(BRN)
(GY)
(BL)
(YE)
(GN)
(PU)
(OR)
(PU)
(PU/WH)
(Y/BK)
(GN)
(Y/BK)
(BRN)
(OR)
(GN)
(GY)
(OR/BK)
(BK)
(BK)
(BL)
(RD)
(WH)
(RD)
(WH)
(PU)
(P/W)
(Y/BK)
(GN)
(Y/BK)
(Y/BK)
(WH)
(BRN)
(OR)
(GN)
(GY)
(OR/BK)
(WH)
(RD)
(BK)
(BK)
(BL)
(YE)
(GY)
(BRN)
(GY)
(BRN)
(Y/BK)
(OR)
(Y/BK)
(GN)
(Y/BK)
(YE)
(YE)
(BL)
(BL)
(BRN)
(PU)
(OR)
(BL)
(BL)
(BK)
(BK)
(YE)
(YE)
(YE)
(RD)
(RD)
L3
(BK)
(BK)
FACTORY INSTALLED RADIO
40-32351E
3 PHASE
POWER IN
ON/OFF
SWITCH
GROUND
SAFETY ALARM
(100 db)
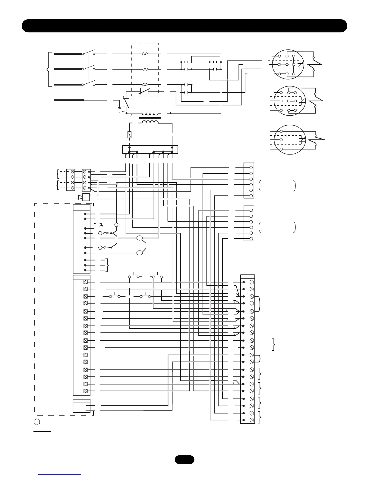
NOTES:
1) Transformer primary voltage is the same as the operator line voltage. Secondary 24V 60VA.
2) Wire color: 208V red, 230V orange, 460V purple, 575V gray.
3) Three phase units are equipped with an internal pilot duty thermal overload
device or an external line monitoring device.
DUAL
GATE
GL CONTROL BOARD
24VAC-IN
24VAC-COMMON
SOFT OPEN
NC
"B" LIMIT
CONTACTOR B
"A" LIMIT
CONTACTOR A
RPM - IN
RPM - SUPPLY
RPM GND
RADIO COMMAND
SHADOW
+24VDC
CLOSE
STOP
SOFT OPEN
HARD OPEN
INT. LOOP
OBS. OPEN
OBS. CLOSE
24 VAC-COMMON
DC-GND
LOCK 1
LOCK 1
ALARM 1
ALARM 1
RADIO
SHADOW
VDC COM
CLOSE
STOP/COM
SOFT OPEN
HARD OPEN
INTERRUPT (SAFETY)
OPEN
CLOSE
MASTER / SECOND
MAGLOCK
24 VAC
INTERRUPT LOOP (SAFETY)
EXIT LOOP
FIELD CONNECTIONS
EDGE/PHOTOEYE (SAFETY)
STOP RESET
OPEN
CLOSE
RPM
SENSOR
SEE NOTE 3
ΤΗΡΕΕ ΠΗΑΣΕ ΣΧΗΕΜΑΤΙΧ

Related product manuals