EasyManua.ls Logo

CHART 1000 - Page 38

CHART 1000
64 pages
Print Icon
To Next Page IconTo Next Page
To Next Page IconTo Next Page
To Previous Page IconTo Previous Page
To Previous Page IconTo Previous Page
Loading...
34
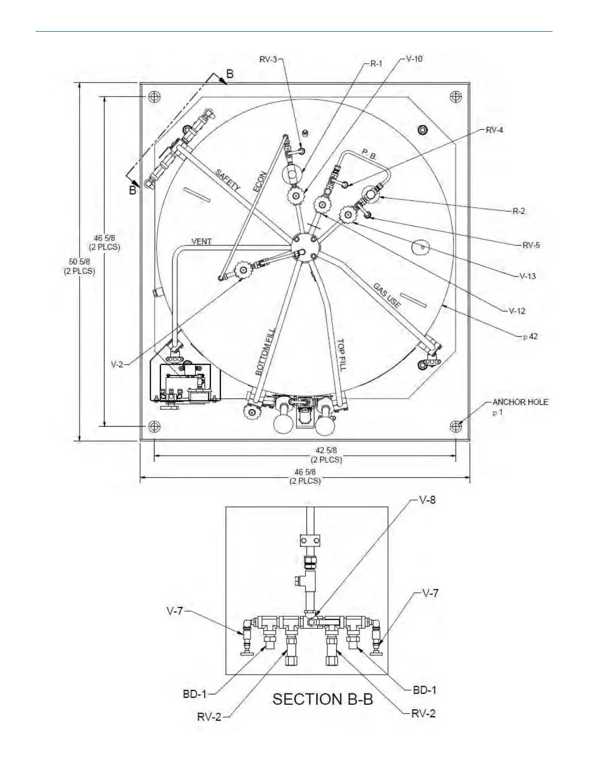
Illustrations & Parts Listing Product Manual - Perma-Cyl
®
w/ FlexFill™ Piping Option

Table of Contents

Related product manuals