EasyManua.ls Logo

CHIEF MI300T - Page 89

CHIEF MI300T
92 pages
Print Icon
To Next Page IconTo Next Page
To Next Page IconTo Next Page
To Previous Page IconTo Previous Page
To Previous Page IconTo Previous Page
Loading...
89
MI300T 220V
qj
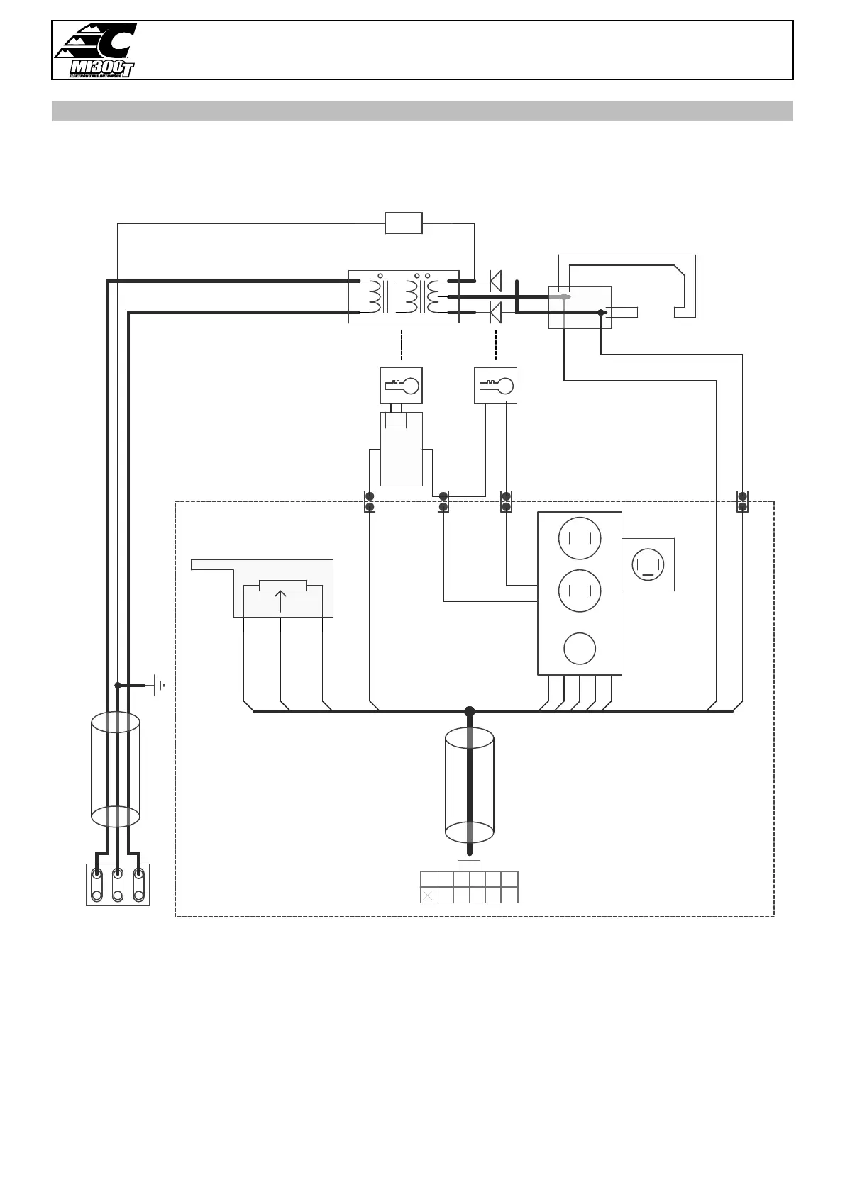
CABLE ASSEMBLY SCHEMATICS / ESQUEMA CABLEADO / SCHÉMA FAISCEAUX
1
2
3
4
5
6
7
8
9
10
11
12
12x0.5mm²
1
2
3
4
5
6
7
8
9
10
11
52446
63090
1
2
3
52446
52446
52446
52149 52149
V+
V-
BLACK
WHITE
E0055
+T°
-T°
92048SF
RED
WHITE
GRAY
-
+
5138151381
51408
71251
BLACK
BLACK
BLACK
BLACK
63138
92051

Related product manuals