EasyManua.ls Logo

Chigo 38B - Refrigerant Cycle Diagram

Chigo 38B
104 pages
Print Icon
To Next Page IconTo Next Page
To Next Page IconTo Next Page
To Previous Page IconTo Previous Page
To Previous Page IconTo Previous Page
Loading...
8
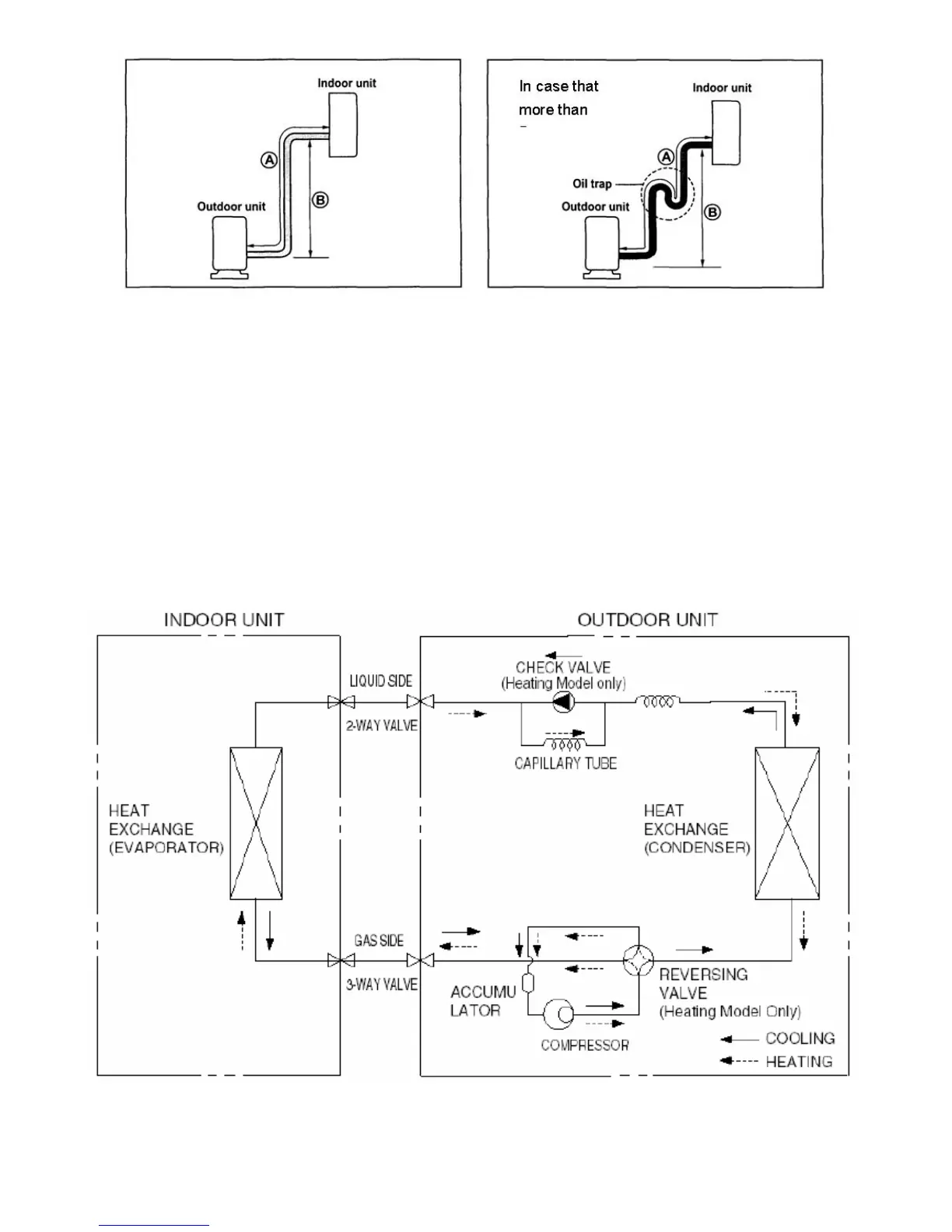
Caution:Capacity is base on standard length and maximum allowance length is base of reliability.Oil
trap should be install per 5-7 meters.
4Indoor unit and outdoor unit explosion diagram and spare parts list(see explosion diagram file)
5. Refrigerant cycle diagram working principle

Table of Contents

Related product manuals