EasyManua.ls Logo

Chigo 38B - 7. Wiring Diagrams; 7.1 Indoor Unit Wiring

Chigo 38B
104 pages
Print Icon
To Next Page IconTo Next Page
To Next Page IconTo Next Page
To Previous Page IconTo Previous Page
To Previous Page IconTo Previous Page
Loading...
13
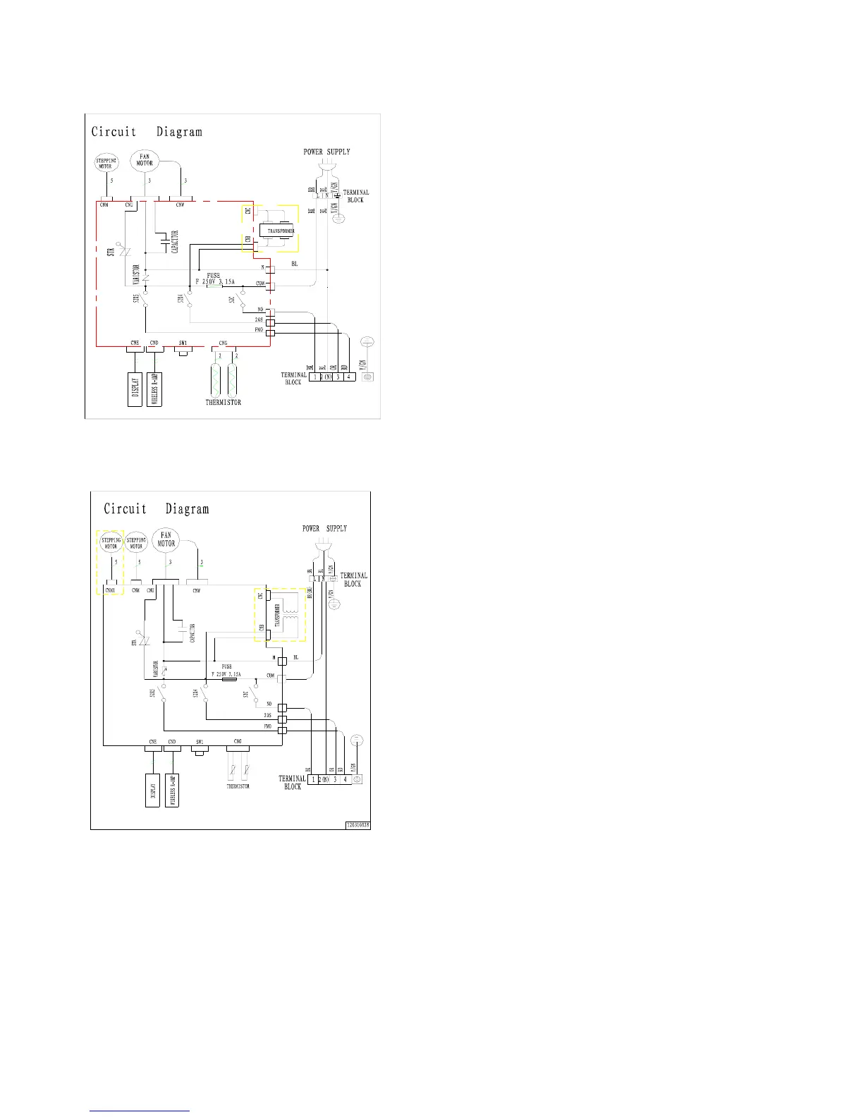
7.Wiring diagrams
7.1Indoor unit
KFR-25GW/AGX1c、KFR-35GW/AGX1c、KFR-51GW/BGX1c(38)
CS-25H3A-V85AY1、CS-35H3A-M85AH4
CS-51H3A-P**AH4A(85)

Table of Contents

Related product manuals