EasyManua.ls Logo

Chrysler Concorde - Page 1320

Chrysler Concorde
1591 pages
Print Icon
To Next Page IconTo Next Page
To Next Page IconTo Next Page
To Previous Page IconTo Previous Page
To Previous Page IconTo Previous Page
Loading...
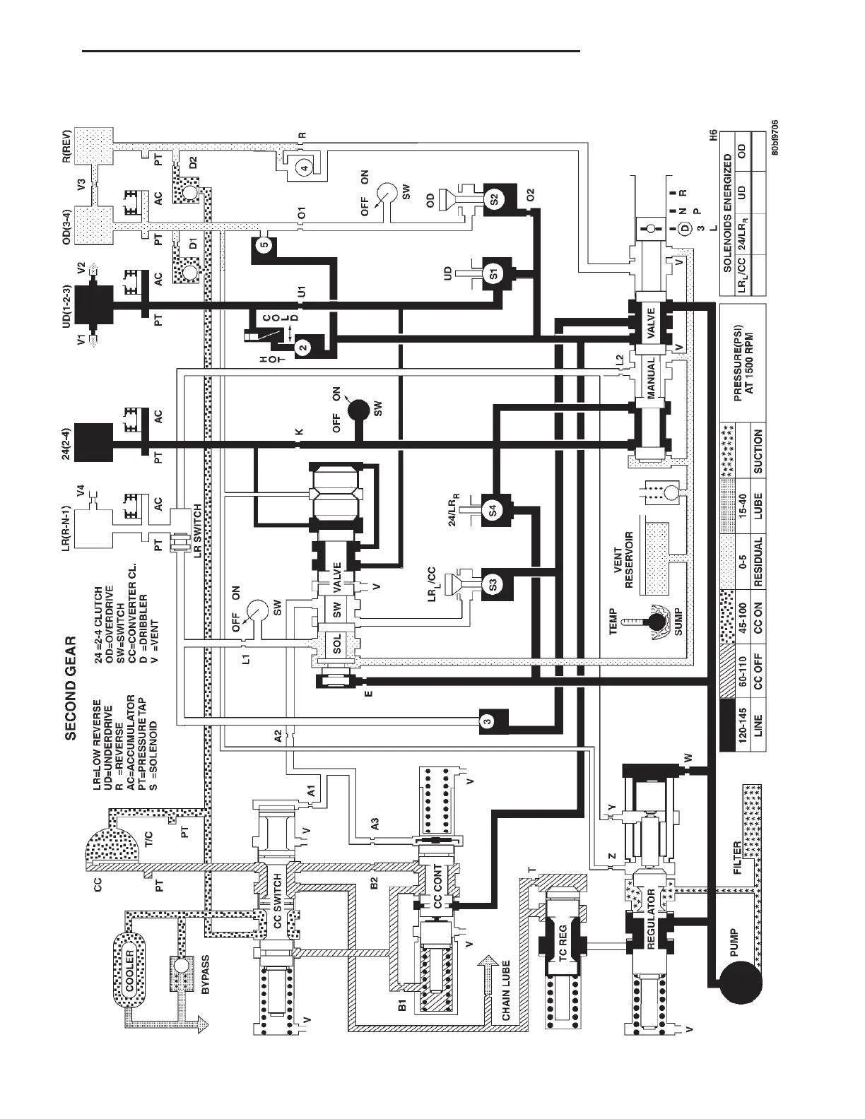
42LE TRANSAXLE HYDRAULIC SCHEMATIC
LH 42LE TRANSAXLE 21 - 151
SCHEMATICS AND DIAGRAMS (Continued)

Table of Contents

Related product manuals