EasyManua.ls Logo

Chrysler Concorde - Page 1321

Chrysler Concorde
1591 pages
Print Icon
To Next Page IconTo Next Page
To Next Page IconTo Next Page
To Previous Page IconTo Previous Page
To Previous Page IconTo Previous Page
Loading...
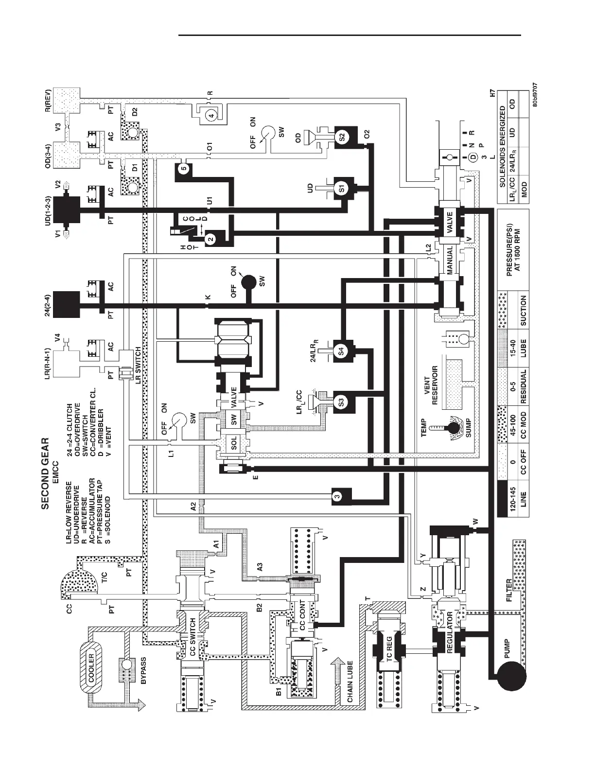
42LE TRANSAXLE HYDRAULIC SCHEMATIC
21 - 152 42LE TRANSAXLE LH
SCHEMATICS AND DIAGRAMS (Continued)

Table of Contents

Related product manuals