EasyManua.ls Logo

Chrysler Concorde - Page 1414

Chrysler Concorde
1591 pages
Print Icon
To Next Page IconTo Next Page
To Next Page IconTo Next Page
To Previous Page IconTo Previous Page
To Previous Page IconTo Previous Page
Loading...
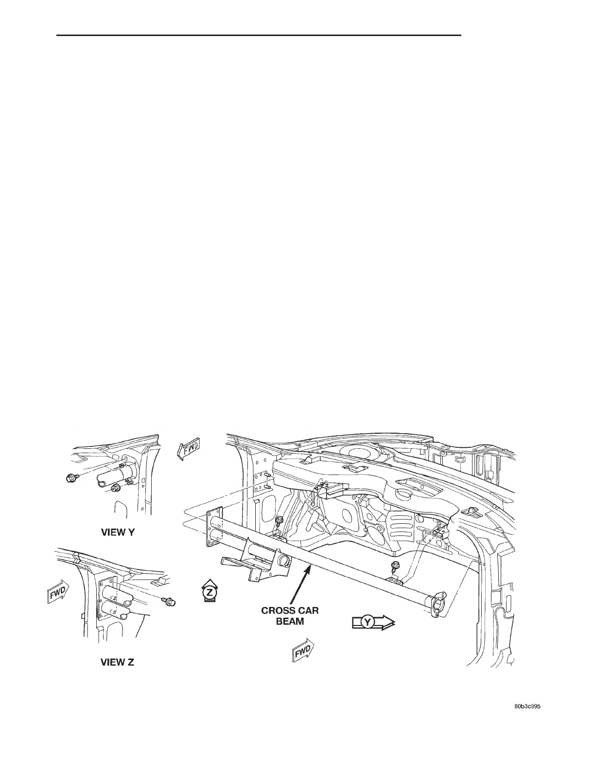
(3) Remove left side fasteners attaching the cross
car beam to cowl side panel.
(4) Remove right side fasteners attaching the cross
car beam to cowl side panel.
(5) Remove cross car beam from vehicle.
INSTALLATION
(1) Place cross car beam in position in vehicle.
(2) Install right side fasteners attaching the cross
car beam to cowl side panels.
(3) Install left side fasteners attaching the cross
car beam to cowl side panels.
(4) Install fasteners to plenum in both locations.
(5) Install steering column and instrument panel.
B-PILLAR LOWER TRIM
REMOVAL
(1) Remove seat belt height adjuster knob.
(2) Remove upper B-pillar trim.
(3) Remove bolt attaching seat belt to floor below
B-pillar (Fig. 73).
(4) Remove access door from above seat belt slot
on B-pillar trim.
(5) Disengage clips attaching lower trim to B-pil-
lar.
(6) Slide seat belt through the B-pillar trim.
(7) Remove B-pillar trim from vehicle.
INSTALLATION
(1) Slide seat belt through the B-pillar trim.
(2) Place B-pillar trim in position on vehicle.
(3) Engage clips to hold lower trim to B-pillar.
(4) Install access door above seat belt slot on B-pil-
lar trim.
(5) Install bolt to hold seat belt to floor below
B-pillar.
(6) Install upper B-pillar trim.
(7) Install seat belt height adjuster knob.
(8) Refit weatherstrip.
B-PILLAR UPPER TRIM
REMOVAL
(1) Disengage shoulder belt turning loop cover.
(2) Remove bolt holding turning loop to shoulder
belt height adjuster.
(3) Remove turning loop from adjuster.
(4) Remove adjuster knob.
(5) Disengage clips holding upper trim to B-pillar
(Fig. 73).
(6) Remove B-pillar trim from vehicle.
Fig. 72 Cross Car Beam
LH BODY 23 - 63
REMOVAL AND INSTALLATION (Continued)

Table of Contents

Related product manuals