EasyManua.ls Logo

Clevo W170HN - Power 0.85 VS, 1.8 VS, PEX_VDD

Clevo W170HN
100 pages
To Next Page IconTo Next Page
To Next Page IconTo Next Page
To Previous Page IconTo Previous Page
To Previous Page IconTo Previous Page
Loading...
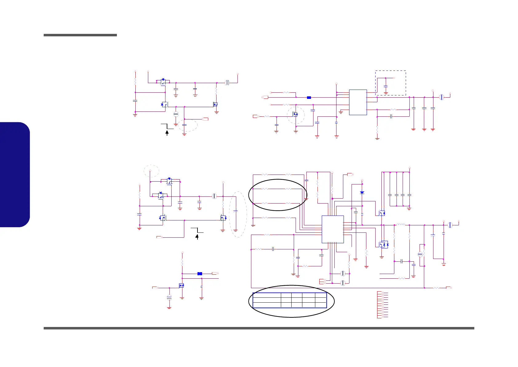
Schematic Diagrams
B - 38 Power 0.85VS, 1.8VS, PEX_VDD
B.Schematic Diagrams
Power 0.85VS, 1.8VS, PEX_VDD
LG_0.85V S
FB_0.85V S
R T_0.85VS
CSP_0.85V S
CS N_ 0. 85VS
EAP _0.85VS
SET0_0.85VS
0.85V_O N
COMP_0.85VS
SET3_0.85VS
CSP_0.85VSCSP
6A
M990125
10/22
0.85V_O N
BO OT_0.85VS
0
0
VCC SA _V ID 1
1
0. 8V
0 1
10
0.725V
VCC SA _V ID 0
1
0 .67 5V0.9V
S S_0.85VS
1.05V@4A
PS_NV VDD _PG OO D#
240MIL
FBVD DQ _PW R_EN
NM OS
ON
PEX_VDD
FB_VDD Q
0.85VS
11A
PHASE _0.85VS
10/14
SET3SET1SET2SET0
FBVDDQ
10/13
1.8VS
PO K_6610
PC 123 0.1u_50V_Y5V_06
PR205
100K_04
PC 229
6800p_50V_X7R_04
PQ31B
PD1503Y VS
4
3
5
6
PR 189
0_04
PR 194
9.1K_1%_04
PR204
22_04
+
PC 141
560u_2.5V_6.6*6.6*5.9
PJ1
* OPEN _5A
1 2
PC192
2.2u_6. 3V_Y 5V _06
PR 208
10_04
PR 274
1M_04
PC 1 90
*10u_10V_Y5V_08
PU 11
AX6615
GND
1
VC NTL
6
VOU T
3
VIN
5
VOU T
4
VF B
2
PO K
7
EN
8
VIN
9
R547
*10mil_short
PR11
0_04
PR202
*0_04
PR 1 91
9.31K_1%_04
1.8V S_P WRG D
P R276*10m il_short
PR 222
1M_04
PR206 100K_1%_04
PC 148
0.01u_50V _X7R _04
PQ7 0
MTN7002Z HS3
G
DS
11/5
PC 189 82p_50V_N PO_04
PQ72A
MTNN20N03Q8
1
3
7
28
PR 188
10_04
PC 1 6
*0.1u_16V_X7R _06
PR237
100K_04
PR 24 0_04
PC 193
0.1u_16V_Y5V_04
PQ 5B
M TN N20N03Q8
6
5
4
PC 1 83
2200p_50V_X7R_04
PR 200 1.3K_1%_04
PJ2
40m il
12
PC198
1u_10V_Y5V_06
PR228
1K_1%_04
PU 9
uP6122
BOO T
1
UG
2
POK
3
SS
4
EAP
5
SE T3
6
SE T2
7
SE T1
8
SE T0
9
FB
10
CO MP
11
VID 0
12
VID1
13
EN /PSM
14
CSN
15
CSP
16
RT
17
VC C
18
LG
19
PH ASE
20
GN D
21
PR224 1M_04
PC 191
10u_10V_Y5V_08
PC 144
*1u_6.3V _X5R_04
PR 196
3 3 K _1 % _ 04
PC137
0.022u_16V_X7R _04
PJ28
*6mil
12
S
D
G
P Q63B
DMN601DWK-7
5
34
PR 192
12 K _ 1 % _0 4
PR 1 99
10K_1%_04
PR 193 10K_1%_04
PQ71A
MT N N 2 0N 0 3Q 8
1
3
7
28
PR 190 9.31K_1%_04
PQ 72B
MT N N 2 0N 0 3Q 8
6
5
4
PL5
TMP C0603H- 1R 0M-Z01
1 2
PD21
RB 0540S2
AC
PC122 4.7u_25V_X5R _08
PC187
10u_10V_Y 5V_08
PJ26
*6mil
12
PJ21
O PEN_3A
1 2
PC 210
2200p_50V_X7R _04
PR7
12 K _ 1 % _0 4
PJ3
*O PEN_11A
1 2
PC 232
6800p_50V_X7R_04
PQ 5A
M TN N20N03Q8
1
3
7
28
PJ14
OPEN -6 mm
1 2
PC 147 0. 01u_50V_X7R _04
PR195
10.7K_1%_04
PC 233
0.1u_16V_Y 5V_04
PC145
0.1u_50V_Y5V_06
PC 121 4.7u_25V_X5R_08
PC151
0.1u_16V_Y5V_04
PC 188
*1u_6. 3V_Y 5V _04
PR 2 75
100_04
P C150
47p_50V_NPO _04
PR227
1.27K_1%_04
PC234
10u_10V_Y 5V_08
PR223
100_04
PC131 0.1u_50V_Y5V_06
PJ30
*6 m i l
12
PJ29
40mil
12
+
PC52
*330u_2.5V_V_A
PR201 1K_1%_04
PR229 10K_04
PQ71B
MT N N 20 N 03 Q 8
6
5
4
PC 230
0.1u_16V_Y 5V_04
PC 194
0.1u_16V_Y5V_04
PC 140
0.1u_50V_Y 5V_06
PR 12
0_04
PR187
10K_04
PC231
10u_10V_Y5V_08
PR226 10K_04
PQ 39
M TN7002ZH S3
G
DS
PR 198 15K_1%_04
PQ 31A
PD 1503YVS
7
8
1
2
SY S15V
PE X_VD D
1.05VS
3.3V
V1.8
3.3V
5V
FBVD DQ
1. 8 V S
5V
1. 5V
SY S15V
V0. 85 0.85VS
VIN
5V
5V
3.3V
VIN11,35,36, 38,39,40,41,42
3.3V
1.8VS6,23,24
S YS5V35,36
5V25,27, 28,29,35,38,41
1.05VS6,18,19, 20,24,25,29,35,38,39
PEX_VDD12,13
S YS15V35,36
dGPU _P WR_EN # 12,22,34
dGP U_PWR_EN #
1. 8 V S _ P W R G D20
3.3V2,3,8,11,12,16,18,19,20, 22,23,24,25,27,28,29, 30,33,35,38,39
SU SB3,35,38
1.05V_PW R _EN
NM OS
1.5V3, 6,8,9,10, 25,29,33,35,38
P S_N VVD D_PGO OD #41
0.85VS6
V CCS A_V ID06
0.85VS_PWR GD 20
F BVDD Q13,14,15
VC CSA_SEN SE 6
1.05VS_VTT_PW RG D#35
V CCS A_V ID16
1.05VS_VTT_PW RG D 3
VFB_6610
EN 1. 8VS1
EN 1.8VS
2A
2A
ON
GS7113 6-02-07113-320
AX6610 6-02-06610-320
APL5930KC 6-02-05930-420
250 MIL
SET1_0.85VS
SET2_0.85VS
CSN _0.85VS
Sheet 37 of 49
Power 0.85VS,
1.8VS, PEX_VDD

Table of Contents

Related product manuals