EasyManua.ls Logo

CLIVET ELFOROOM 15 - Page 237

CLIVET ELFOROOM 15
Print Icon
To Next Page IconTo Next Page
To Next Page IconTo Next Page
To Previous Page IconTo Previous Page
To Previous Page IconTo Previous Page
Loading...
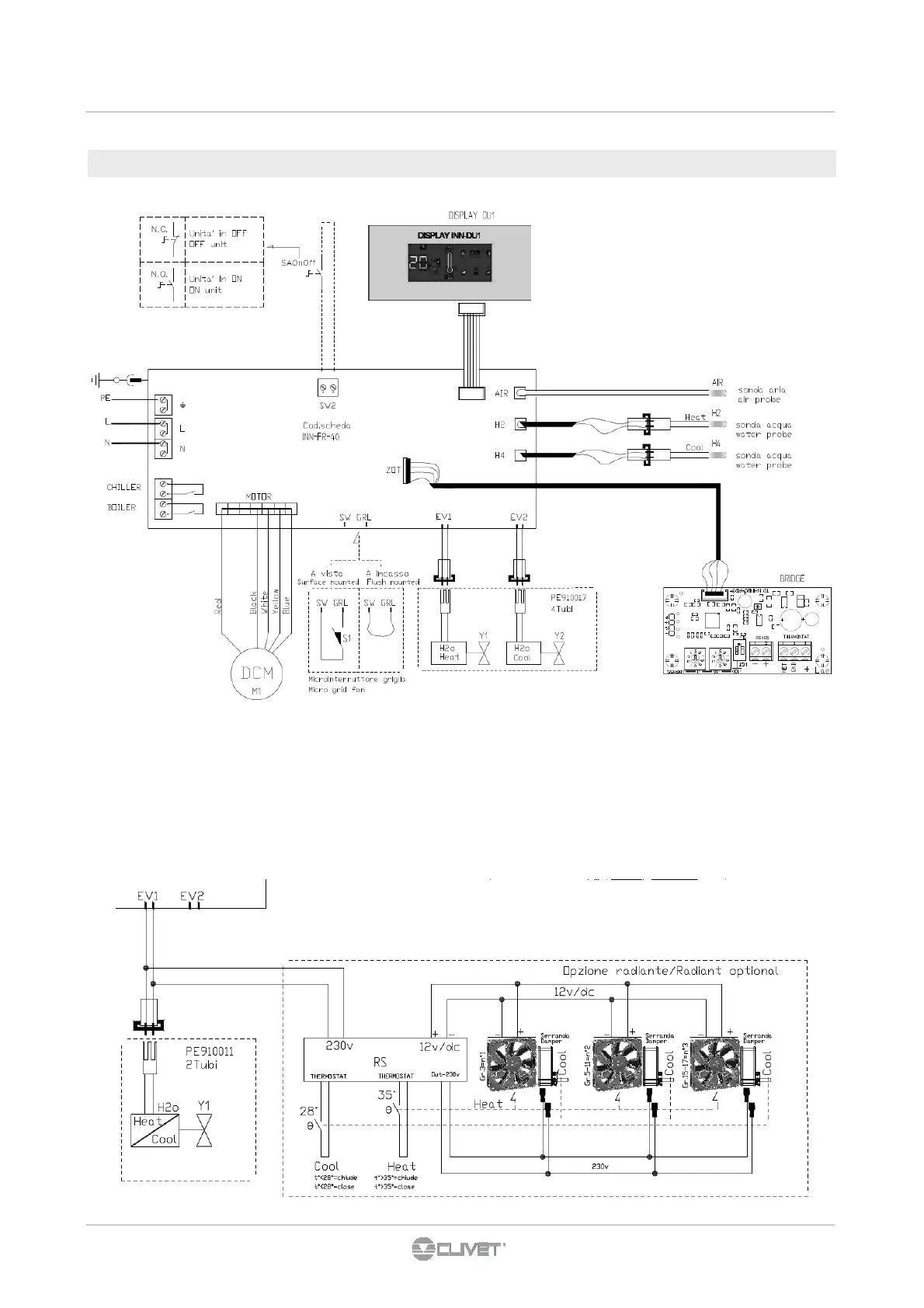
5 - ЭЛЕКТРИЧЕСКИЕ СОЕДИНЕНИЯ
5.6 Соединения со встроенным термостатом
BOILER Прямой выход на тепло (boiler-Бойлер)
сухой контакт максимум 1A
CHILLER Прямой выход на охлаждение (chiller-чиллер)
сухой контакт максимум 1A
SW2 Дистанционное ВКЛ\ОТКЛ (ON / OFF)
H2 Датчик температуры воды (4T Нагрев)
2T Охлаждение / Нагрев
H4 Датчик температуры воды (4T Нагрев)
S1 Микроперекючатель безопасности решетки
Y1 Соленоидный водный клапан (4T Нагрев)
(2T Нагрев / Охлаждение)
Y2 Соленоидный водный клапан (4T Охлаждение)
4-х трубный: Y1 + Y2
2-х трубный: Y1
237

Table of Contents

Related product manuals