EasyManua.ls Logo

CLIVET ELFORoom2 003.0

CLIVET ELFORoom2 003.0
316 pages
Go to English
To Next Page IconTo Next Page
To Next Page IconTo Next Page
To Previous Page IconTo Previous Page
To Previous Page IconTo Previous Page
Loading...
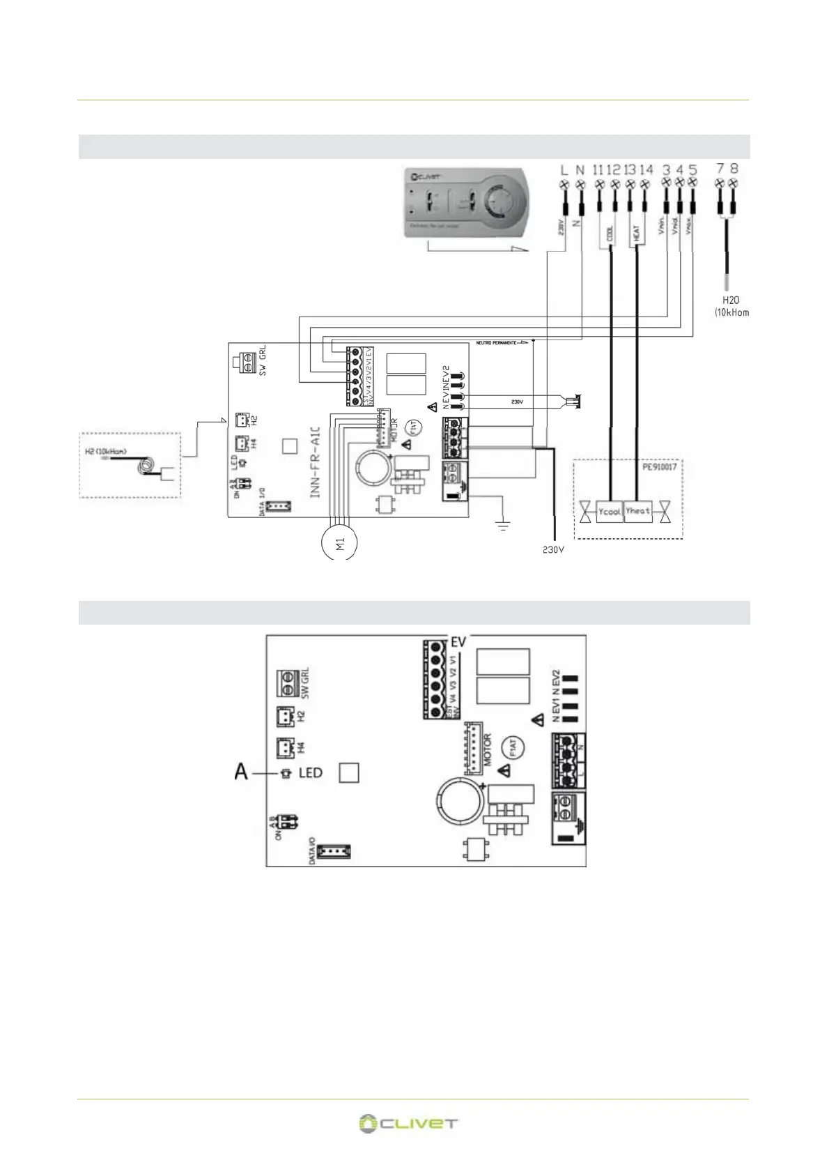
5 - RACCORDEMENTS ELECTRIQUES
4 tubes
Thermostat HID-E3 - installation 4 tubes
sonde eau
thermostat
Ycool Électrovalve eau (Refroidissement) Yheat Électrovalve eau (Chauffage)
M1 = moteur
Sens de la DEL / alarmes
La DEL (réf. A) est éteinte si l'entrée EV (commande de thermostat) n'est pas fermée (condition de stand-by).
Elle s'allume à la fermeture du contact EV (commande de thermostat) et elle signale le fonctionnement normal.
Alarmes
Clignote fréquemment en cas d'actionnement du micro-interrupteur de sécurité de la grille S1 dû à l'opération de nettoyage du filtre.
Elle effectue un seul clignotement + une pause pour l'alarme d'arrêt du ventilateur à cause de l'eau inappropriée (avec la sonde eau
H2 raccordée).
2 clignotements + une pause pour alarme du moteur (par exemple bourrage dû à des corps étrangers, défaillance du capteur de rota-
tion)
3 clignotements + pause pour alarme de la sonde eau débranchée ou en panne.
Sonde eau
Pas raccordée
114

Other manuals for CLIVET ELFORoom2 003.0

Related product manuals