EasyManua.ls Logo

CLIVET ELFORoom2 003.0

CLIVET ELFORoom2 003.0
316 pages
Go to English
To Next Page IconTo Next Page
To Next Page IconTo Next Page
To Previous Page IconTo Previous Page
To Previous Page IconTo Previous Page
Loading...
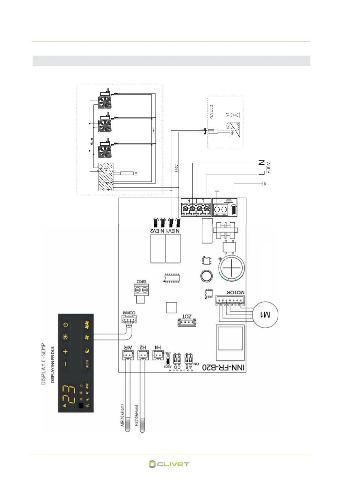
5 - CONEXIONES ELÉCTRICAS
5.10 Conexión con control electrónico 4 velocidades
AIR sonda temperatura aire (10k)
H2 sonda temperatura agua (10k)
Y1 electroválvula agua (calefacción / enfriamiento)
HRS sonda temperatura agua (10k)
CSEMP - Control electrónico simplificado con modulación continua motor DC de 4 velocidades con termostato instalado
a bordo sin interfaz RS485
Opción radiante
Instalación a 2 tubos
M1 = motor
2 tubos
Gr. 003.0 = n°1
Gr. 015.0 - 017.0 = n°3
Gr. 005.0 - 011.0 = n°2
156

Other manuals for CLIVET ELFORoom2 003.0

Related product manuals