EasyManua.ls Logo

CLIVET ELFORoom2 003.0

CLIVET ELFORoom2 003.0
316 pages
Go to English
To Next Page IconTo Next Page
To Next Page IconTo Next Page
To Previous Page IconTo Previous Page
To Previous Page IconTo Previous Page
Loading...
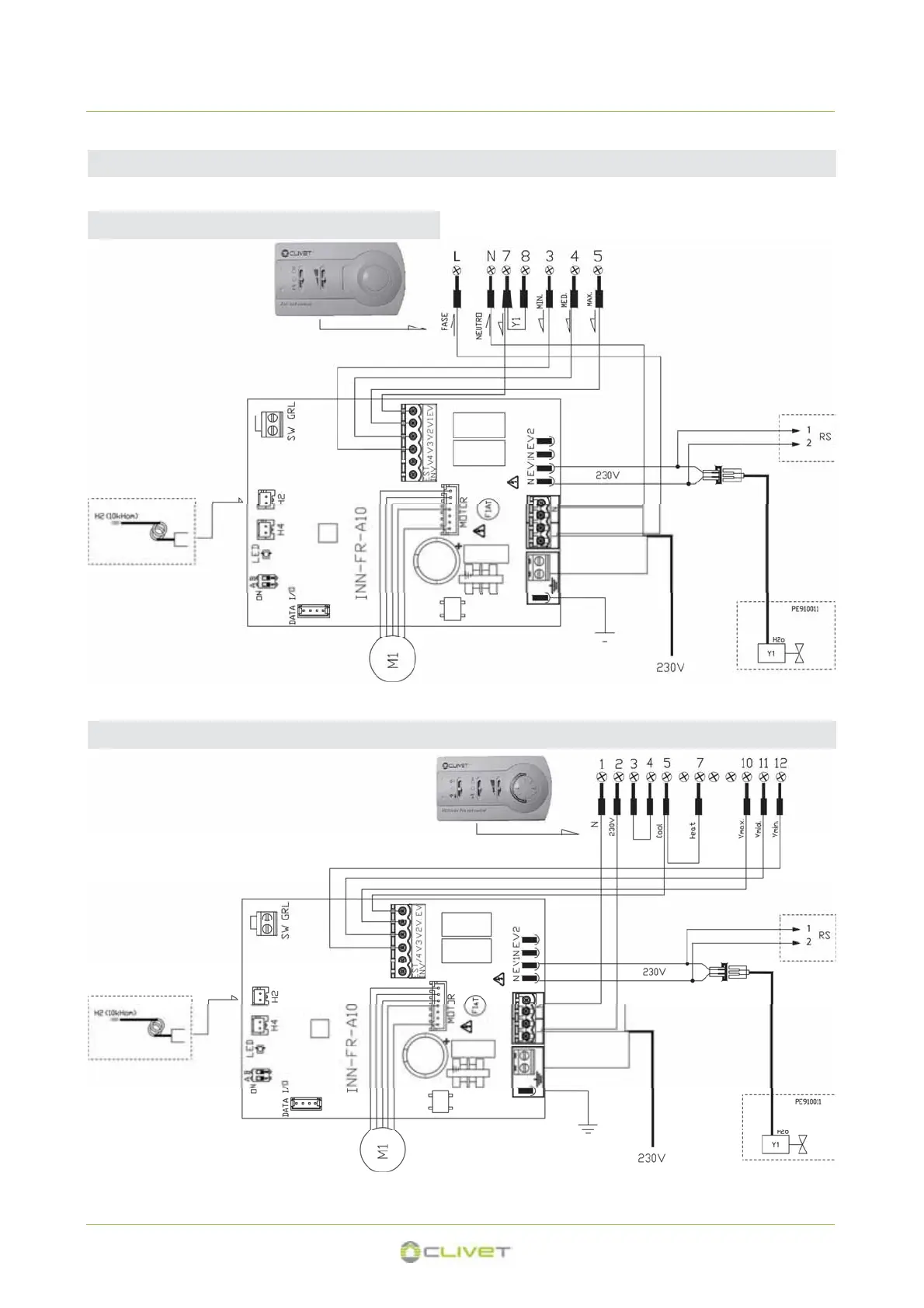
5 - CONEXIONES ELÉCTRICAS
5.11 Conexiónes termostatos
SC3V - Tarjeta electrónica para modulación continua motor DC para combinación a termostatos 3 velocidades sin interfaz RS485
Termostato HID-E1 - instalación a 2 tubos
Y1 Electroválvula agua (calefacción / enfriamiento) RS Opción radiante (pag.170)
2 tubos
M1 = motor
Sonda agua
No conectada
Termostato HID-E2 - instalación a 2 tubos
Y1 Electroválvula agua (calefacción / enfriamiento) RS Opción radiante (pag.170)
2 tubos
M1 = motor
Sonda agua
No conectada
157

Other manuals for CLIVET ELFORoom2 003.0

Related product manuals