EasyManua.ls Logo

CLIVET ELFORoom2 003.0 - 5.7 HID-Txx Electronic Room Thermostat Connection

CLIVET ELFORoom2 003.0
Print Icon
To Next Page IconTo Next Page
To Next Page IconTo Next Page
To Previous Page IconTo Previous Page
To Previous Page IconTo Previous Page
Loading...
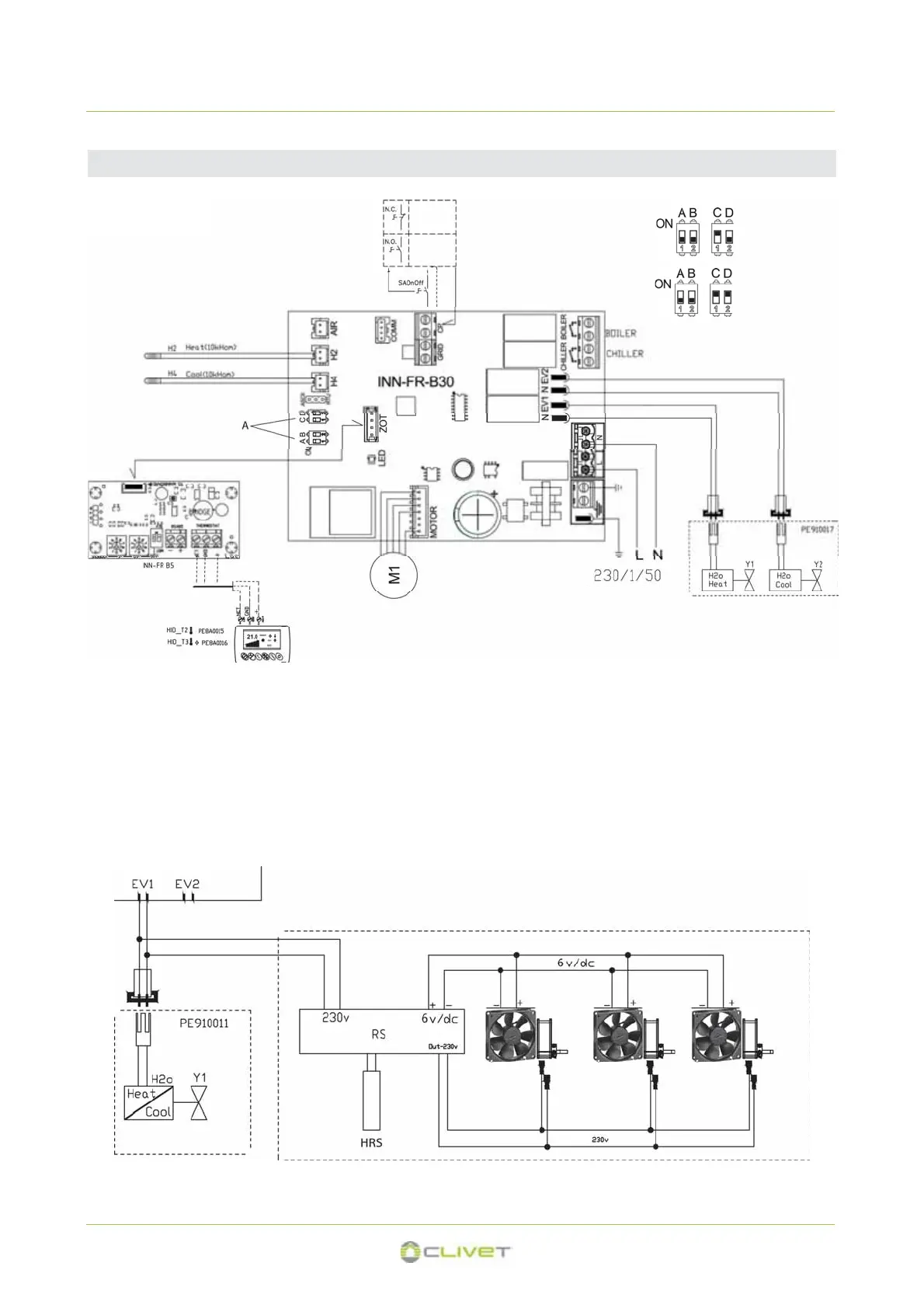
5.7 Collegamento a termostato ambiente elettronico HID-Txx
5 - COLLEGAMENTI ELETTRICI
4 tubi : Y1 + Y2
2 tubi : Y1
4 tubi
Unità in
OFF
Unità in
ON
M1 = motore
A muro
Opzione radiante
Solo 2 tubi
Gr. 003.0 = n°1
2 tubi
Gr. 015.0 - 017.0 = n°3
Gr. 005.0 - 011.0 = n°2
HRS - sonda temperatura acqua (10k)
BOILER uscita consenso riscaldamento (boiler-caldaia)
contatto pulito max 1A
CHILLER uscita consenso raffreddamento (chiller)
contatto pulito max 1A
CP ON / OFF remoto
H2 sonda temperatura acqua (10k)
(4Tubi ĺ riscaldamento)
(2Tubi ĺ raffreddamento / riscaldamento)
H4 sonda temperatura acqua (10k)
(4Tubi ĺ raffreddamento)
Y1 Elettrovalvola acqua (4Tubi ĺ riscaldamento)
(2Tubi ĺ riscaldamento / raffreddamento)
Y2 Elettrovalvola acqua (4Tubi ĺ raffreddamento)
A - posizione dip-switch
Versione 2 tubi
Versione 4 tubi
19

Other manuals for CLIVET ELFORoom2 003.0

Related product manuals