EasyManua.ls Logo

CLIVET ELFORoom2 003.0

CLIVET ELFORoom2 003.0
316 pages
Go to English
To Next Page IconTo Next Page
To Next Page IconTo Next Page
To Previous Page IconTo Previous Page
To Previous Page IconTo Previous Page
Loading...
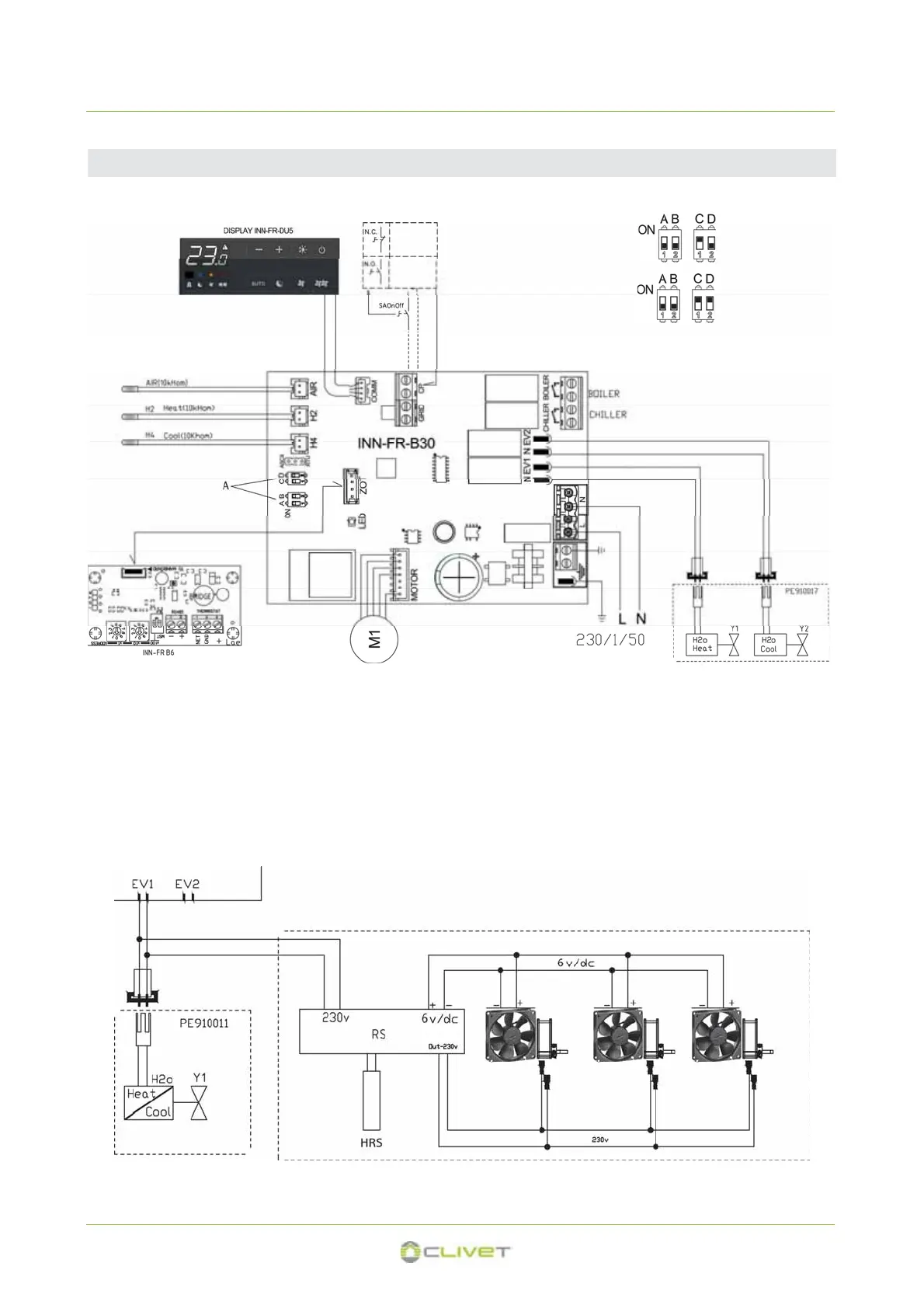
5 - ELEKTRISCHE ANSCHLÜSSE
5.6 Eingebautem Thermostat in Gerät
4 Rohre : Y1 + Y2
2 Rohre : Y1
BOILER Ausgang Freigabe Heizung.(boiler-Kessel)
potentialfreier Kontakt max 1A
CHILLER Ausgang Kühlung (chiller)
potentialfreier Kontakt max 1A
CP ON-OFF-Fernschaltung
H2 Wassertemperatur Sonde (10k)
(4 Rohre ĺ Heizung)
(2 Rohre ĺ Kühlung / Heizung)
H4 Wassertemperatur Sonde (10k)
(4 Rohre ĺ Kühlung)
Y1 Kaltwasser-Elektroventil (4 Rohre ĺ Heizung)
(2 Rohre ĺ Kühlung / Heizung)
Y2 Kaltwasser-Elektroventil (4 Rohre ĺ Kühlung)
Air Lufttemperaturfühler (10k)
4 Rohre
Einheit
OFF
Einheit ON
M1 = motor
Option Heizelement
Nur 2 Rohre
Größe. 003.0 = n°1
2 Rohre
Größe. 015.0 - 017.0 = n°3
Größe. 005.0 - 011.0 = n°2
HRS - Wassertemperatur Sonde (10k)
A - Stellung der Dip-Switches
2 Rohre Ausführung
4 Rohre Ausführung
198

Other manuals for CLIVET ELFORoom2 003.0

Related product manuals