EasyManua.ls Logo

CLIVET ELFORoom2 003.0 - Page 199

CLIVET ELFORoom2 003.0
316 pages
Go to English
To Next Page IconTo Next Page
To Next Page IconTo Next Page
To Previous Page IconTo Previous Page
To Previous Page IconTo Previous Page
Loading...
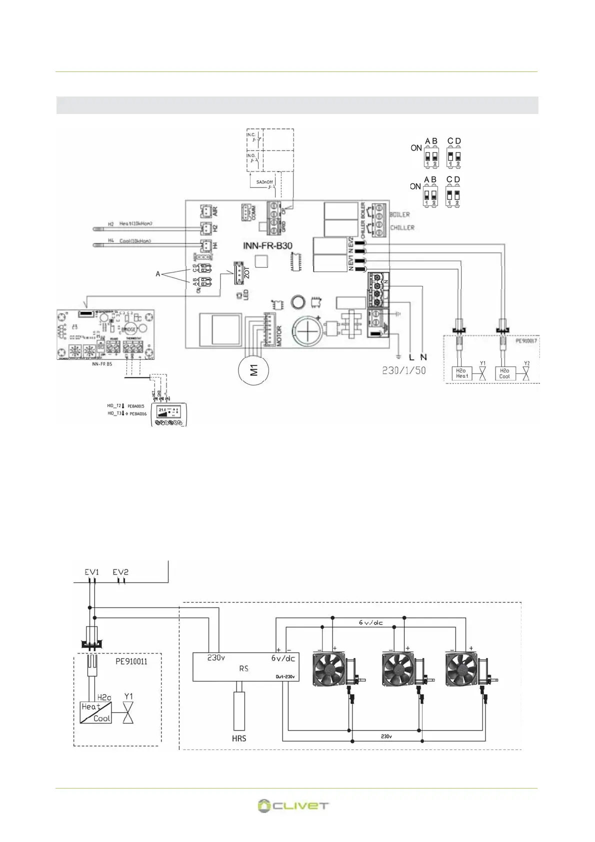
5 - ELEKTRISCHE ANSCHLÜSSE
5.7 Anschluss elektronisches Raumthermostat HID-Txx
An der Wand
4 Rohre : Y1 + Y2
2 Rohre : Y1
4 Rohre
M1 = motor
BOILER Ausgang Freigabe Heizung.(boiler-Kessel)
potentialfreier Kontakt max 1A
CHILLER Ausgang Kühlung (chiller)
potentialfreier Kontakt max 1A
CP ON-OFF-Fernschaltung
H2 Wassertemperatur Sonde (10k)
(4 Rohre ĺ Heizung)
(2 Rohre ĺ Kühlung / Heizung)
H4 Wassertemperatur Sonde (10k)
(4 Rohre ĺ Kühlung)
Y1 Kaltwasser-Elektroventil (4 Rohre ĺ Heizung)
(2 Rohre ĺ Kühlung / Heizung)
Y2 Kaltwasser-Elektroventil (4 Rohre ĺ Kühlung)
Option Heizelement
Nur 2 Rohre
Größe. 003.0 = n°1
2 Rohre
Größe. 015.0 - 017.0 = n°3
Größe. 005.0 - 011.0 = n°2
HRS - Wassertemperatur Sonde (10k)
Einheit
OFF
Einheit ON
A - Stellung der Dip-Switches
2 Rohre Ausführung
4 Rohre Ausführung
199

Other manuals for CLIVET ELFORoom2 003.0

Related product manuals