EasyManua.ls Logo

CLIVET ELFORoom2 003.0

CLIVET ELFORoom2 003.0
316 pages
Go to English
To Next Page IconTo Next Page
To Next Page IconTo Next Page
To Previous Page IconTo Previous Page
To Previous Page IconTo Previous Page
Loading...
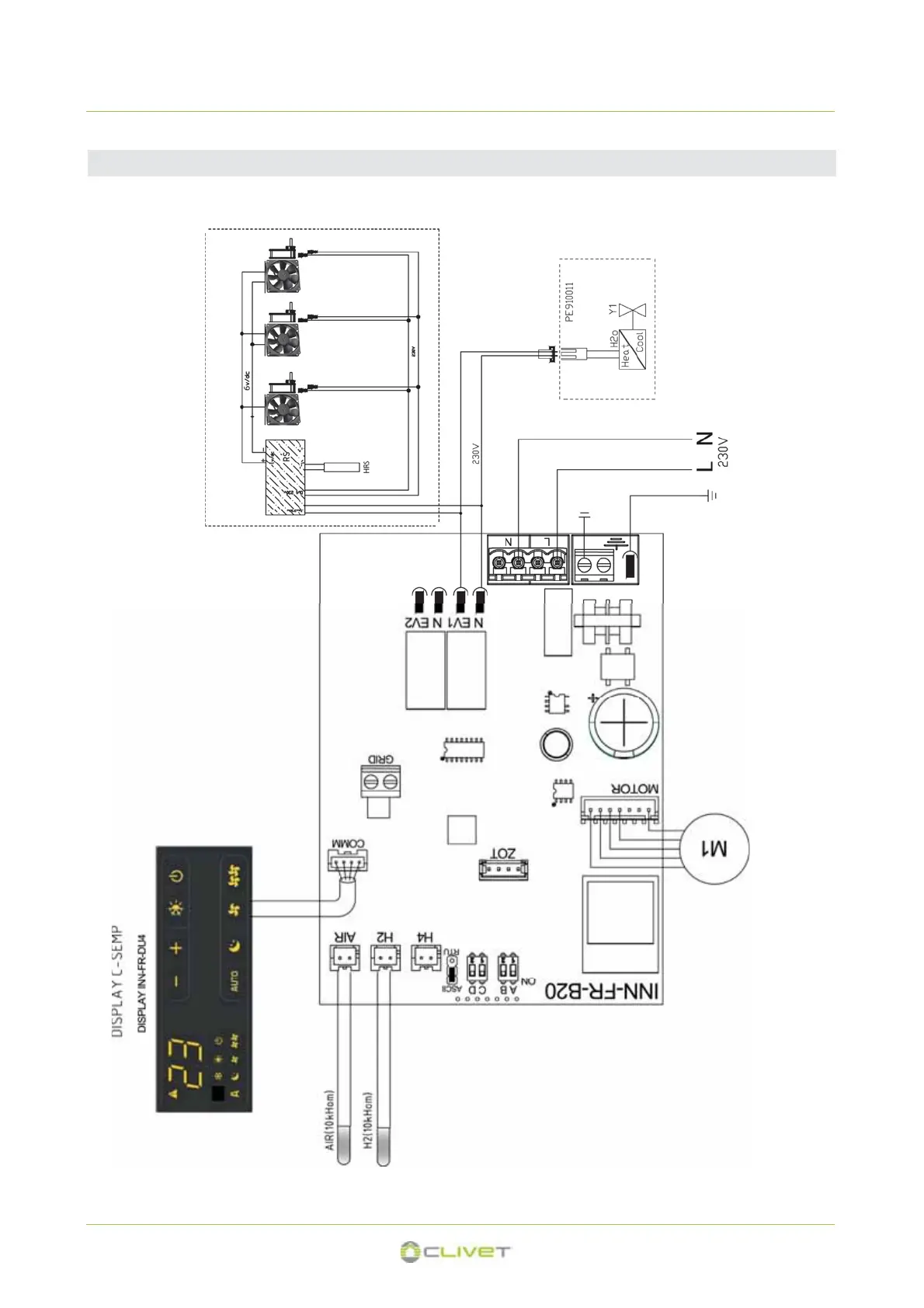
5 - COLLEGAMENTI ELETTRICI
5.10 Collegamento con controllo elettronico 4 velocità
AIR sonda temperatura aria (10k)
H2 sonda temperatura acqua (10k)
Y1 elettrovalvola acqua (riscaldamento/raffreddamento)
HRS sonda temperatura acqua (10k)
CSEMP - Controllo elettronico semplificato con modulazione motore DC a 4 velocità con termostato a bordo senza
interfaccia RS 485
Opzione radiante
Impianto 2 tubi
M1 = motore
2 tubi
Gr. 003.0 = n°1
Gr. 015.0 - 017.0 = n°3
Gr. 005.0 - 011.0 = n°2
21

Other manuals for CLIVET ELFORoom2 003.0

Related product manuals