EasyManua.ls Logo

CLIVET ELFORoom2 003.0

CLIVET ELFORoom2 003.0
316 pages
Go to English
To Next Page IconTo Next Page
To Next Page IconTo Next Page
To Previous Page IconTo Previous Page
To Previous Page IconTo Previous Page
Loading...
5 - COLLEGAMENTI ELETTRICI
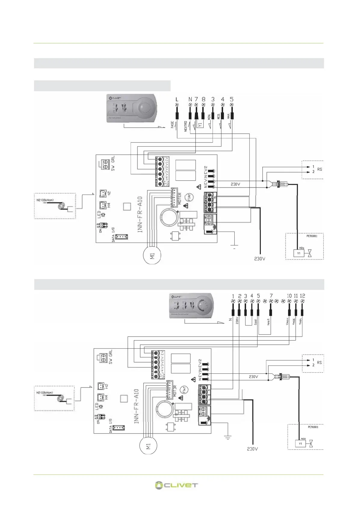
5.11 Collegamenti termostati
Termostato HID-E1 - impianto 2 tubi
SC3V - Scheda elettronica per modulazione motore DC per abbinamento a termostati 3 velocità e senza interfaccia RS 485
Y1 Elettrovalvola acqua (riscaldamento/raffreddamento) RS Opzione radiante (pag.26)
2 tubi
M1 = motore
Sonda acqua
Non connessa
Termostato HID-E2 - impianto 2 tubi
Y1 Elettrovalvola acqua (riscaldamento/raffreddamento) RS Opzione radiante (pag.26)
2 tubi
M1 = motore
Sonda acqua
Non connessa
22

Other manuals for CLIVET ELFORoom2 003.0

Related product manuals