EasyManua.ls Logo

CLIVET ELFORoom2 003.0

CLIVET ELFORoom2 003.0
316 pages
Go to English
To Next Page IconTo Next Page
To Next Page IconTo Next Page
To Previous Page IconTo Previous Page
To Previous Page IconTo Previous Page
Loading...
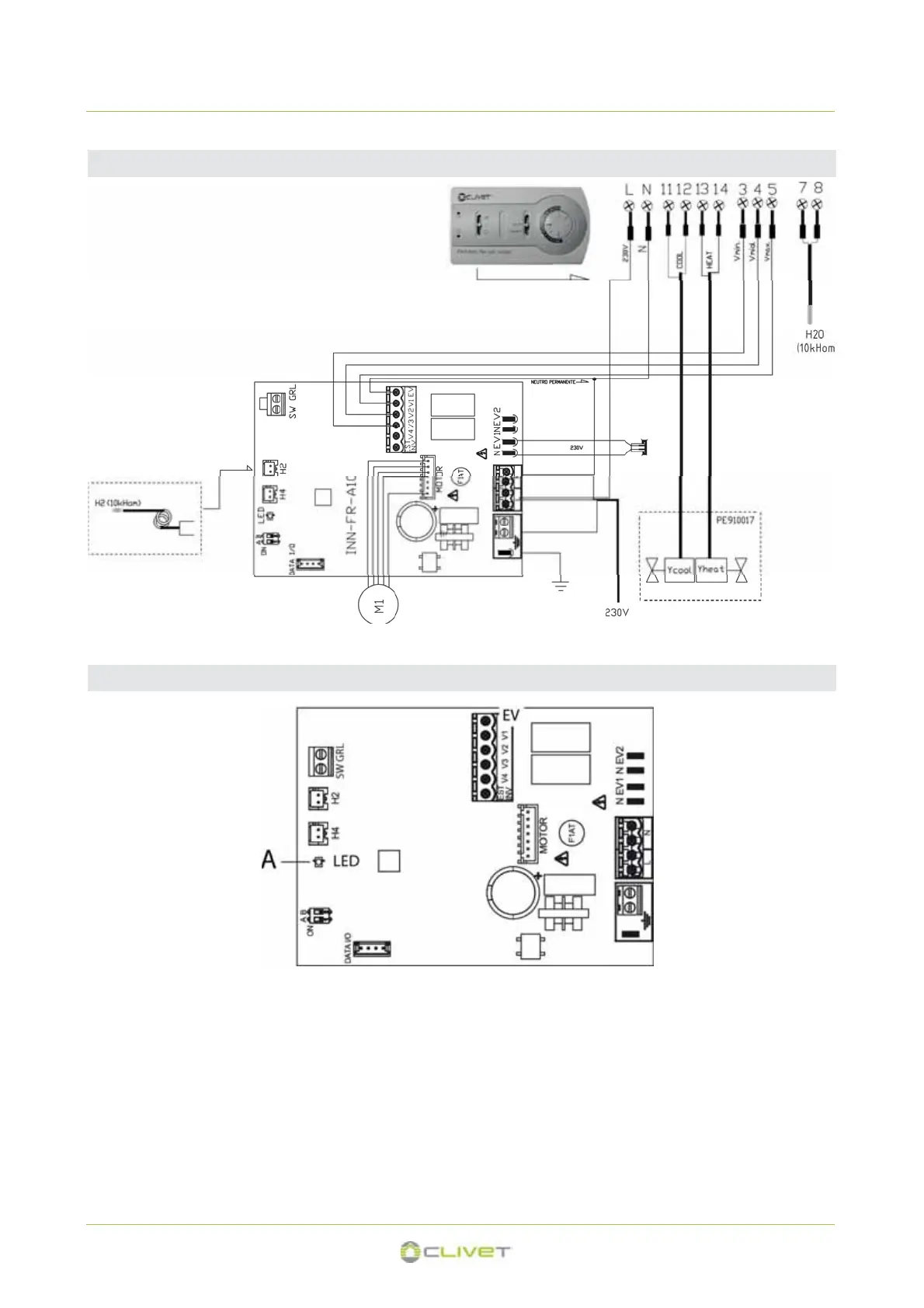
5 - COLLEGAMENTI ELETTRICI
4 tubi
Termostato HID-E3 - impianto 4 tubi
sonda acqua
termostato
Ycool Elettrovalvola acqua (raffreddamento) Yheat Elettrovalvola acqua (riscaldamento)
Significato LED / allarmi
Il LED (A) è spento se l’ingresso EV (comando da termostato) non è chiuso (condizione di stand-by).
Viene acceso alla chiusura del contatto EV (comando da termostato) e segnala il funzionamento normale.
ALLARMI
Lampeggia frequentemente in caso di azionamento del microinterruttore di sicurezza griglia S1 dovuto all'operazione di pulizia del
filtro.
Effettua un singolo lampeggio + pausa per allarme fermo ventilatore per acqua non idonea (con sonda acqua H2 collegata).
2 lampeggi + pausa per allarme motore (ad esempio inceppamento dovuto a corpi estranei, guasto del sensore di rotazione)
3 lampeggi + pausa per allarme sonda acqua scollegata o guasta.
M1 = motore
Sonda acqua
Non connessa
24

Other manuals for CLIVET ELFORoom2 003.0

Related product manuals