EasyManua.ls Logo

CLIVET ELFORoom2 003.0 - Page 67

CLIVET ELFORoom2 003.0
316 pages
Go to English
To Next Page IconTo Next Page
To Next Page IconTo Next Page
To Previous Page IconTo Previous Page
To Previous Page IconTo Previous Page
Loading...
5 - ELECTRICAL CONNECTIONS
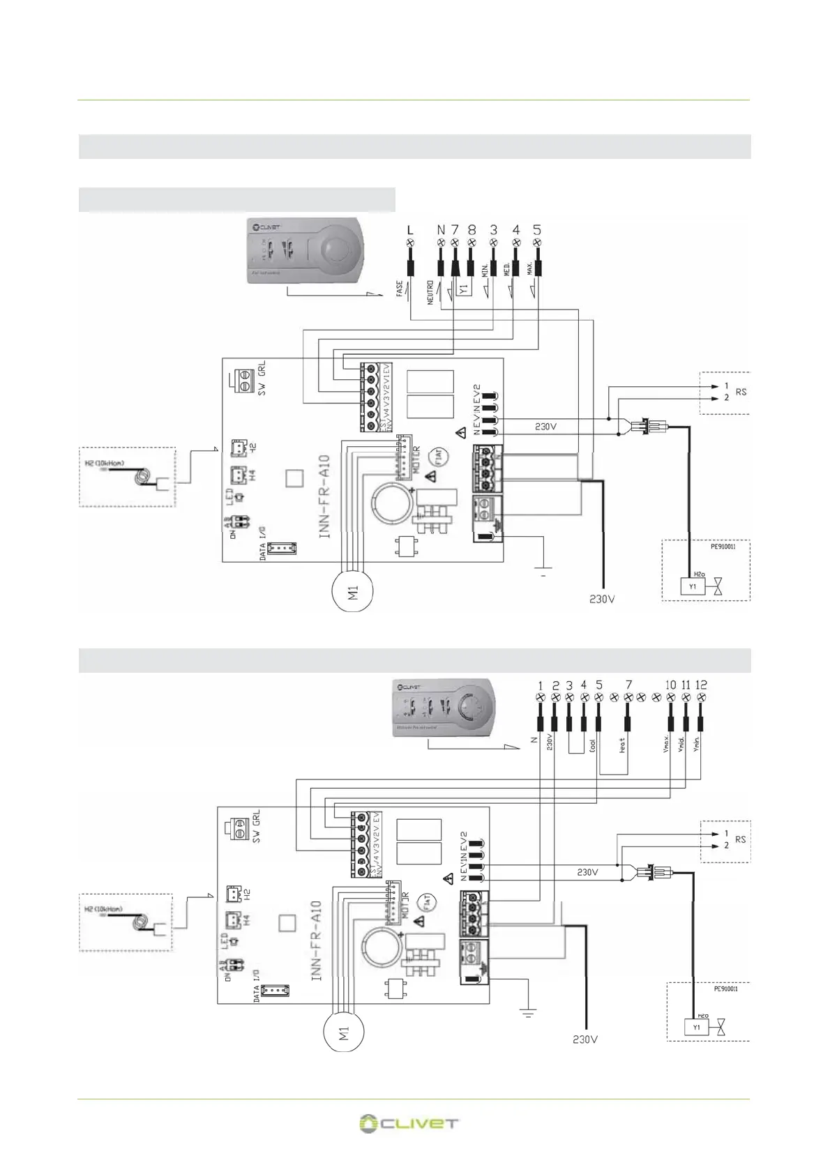
5.11 Thermostats connections
SC3V - DC motor modulation electronic board for matching to 3 speeds thermostats without RS485 interface
HID-E1 thermostat - 2 pipe system
Y1 Water solenoid valve(heating/cooling) RS Radiant optional (page.74)
2 pipes
HID-E2 thermostat - 2 pipe system
Y1 Water solenoid valve(heating/cooling) RS Radiant optional (page.74)
2 pipes
M1 = motor
Water probe
Not connected
M1 = motor
Water probe
Not connected
67

Other manuals for CLIVET ELFORoom2 003.0

Related product manuals