EasyManua.ls Logo

CLIVET ELFORoom2 003.0 - Page 66

CLIVET ELFORoom2 003.0
316 pages
Go to English
To Next Page IconTo Next Page
To Next Page IconTo Next Page
To Previous Page IconTo Previous Page
To Previous Page IconTo Previous Page
Loading...
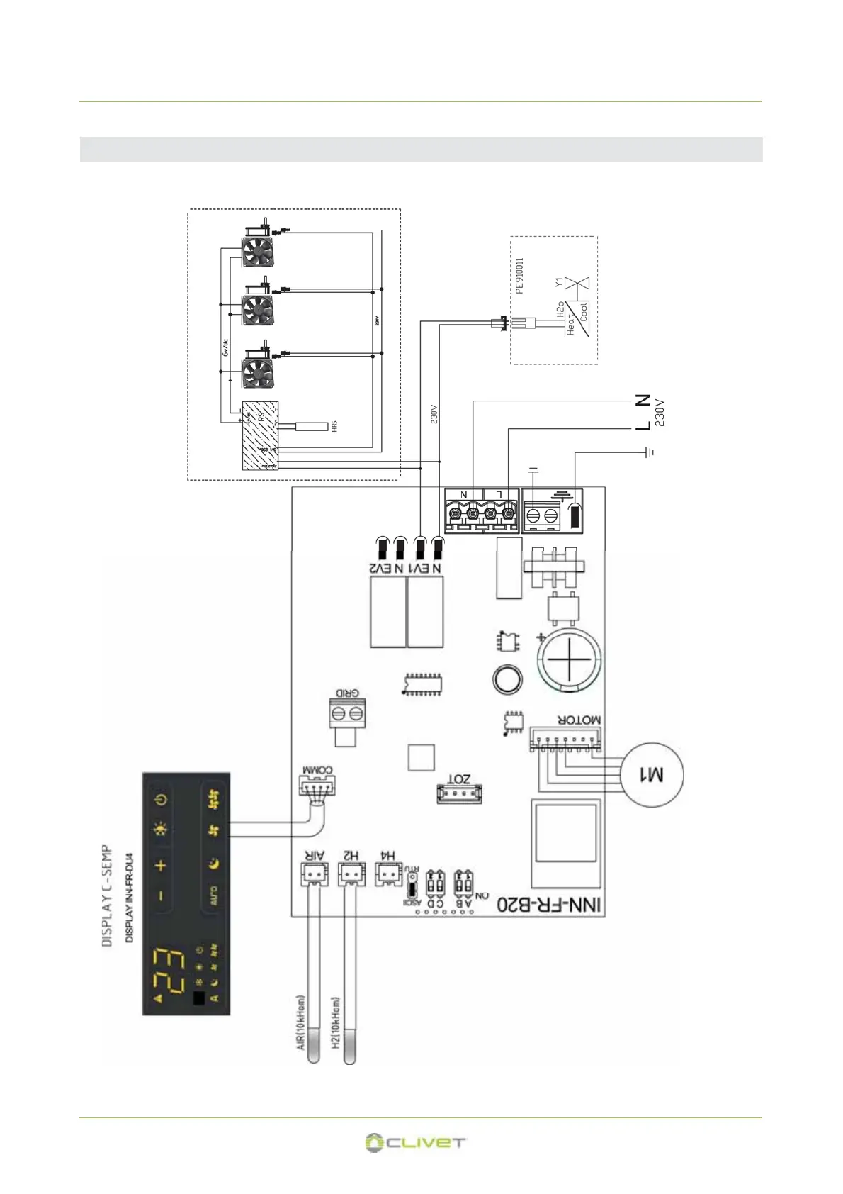
5 - ELECTRICAL CONNECTIONS
5.10 Connection with 4-speed electronic control
AIR Air temperature probe (10k)
H2 Water temperature probe(10k)
Y1 Water solenoid valve
HRS Water temperature probe (10k)
CSEMP - Simplified electronic control with 4 speeds DC motor, built-in thermostat without RS485 interface
Radiant optional
2 PIPE SYSTEM
M1 = motor
2 pipes
Gr. 003.0 = n°1
Gr. 015.0 - 017.0 = n°3
Gr. 005.0 - 011.0 = n°2
66

Other manuals for CLIVET ELFORoom2 003.0

Related product manuals