EasyManua.ls Logo

CLIVET ELFORoom2 003.0 - Page 69

CLIVET ELFORoom2 003.0
316 pages
Go to English
To Next Page IconTo Next Page
To Next Page IconTo Next Page
To Previous Page IconTo Previous Page
To Previous Page IconTo Previous Page
Loading...
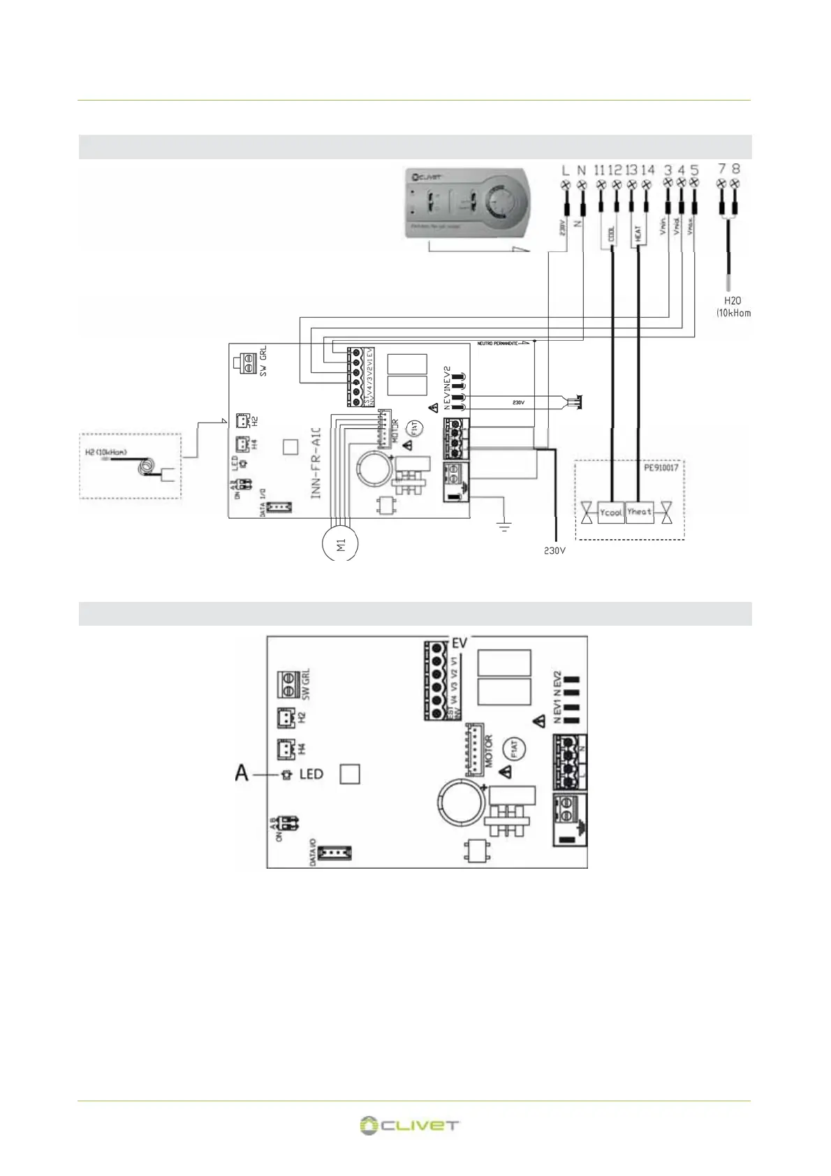
5 - ELECTRICAL CONNECTIONS
M1 = motor
4 pipes
HID-E3 thermostat - 4 pipe system
water thermo-
stat probe
Ycool Water solenoid valve(cooling) Yheat Water solenoid valve(heating)
Water probe
Not connected
The LED (A) is off if input EV (thermostat control) is not closed (stand-by condition).
It is switched on upon closure of contact EV (thermostat control) and signals standard operation.
ALARMS
It flashes frequently if the S1 grille safety micro-switch is activated due to filter cleaning operations.
It emits a single flash + pause for fan stop alarm due to unsuitable water (with H2 water probe connected).
2 flashes + pause for motor alarm (for example, jamming due to foreign bodies, fault in the rotation sensor).
3 flashes + pause for water probe alarm disconnected or faulty.
LED meaning / alarms
69

Other manuals for CLIVET ELFORoom2 003.0

Related product manuals