EasyManua.ls Logo

CNC4PC C32 - 11 Connecting a C48; 12 Wiring Diagrams

Default Icon
26 pages
Print Icon
To Next Page IconTo Next Page
To Next Page IconTo Next Page
To Previous Page IconTo Previous Page
To Previous Page IconTo Previous Page
Loading...
C32 (Rev. 5) User Manual
___________________________________________________________________________
User’s Manual Page 20
Note: Pins (2_2 - 2_9) are configured as inputs and they are only accessible through
the DB25 for Pendant.
CONNECTING A C48
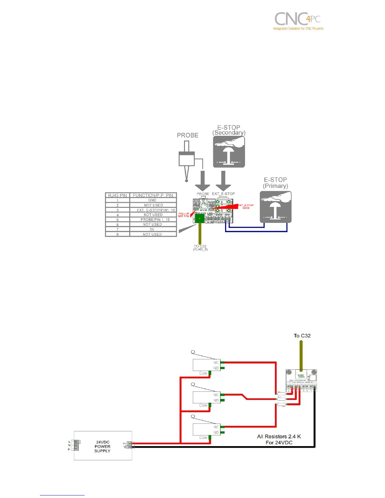
RJ45_8 provides an easy way to wire an External Probe and an external (Secondary)
E-Stop. Image below shows a wiring sample for this connection
Note: The primary E-stop can be connected to C32 E-Stop terminals or to the C48 E-Stop input
terminals.
11.0 WIRING DIAGRAMS
This connection is for signals of 24VDC, allows what inputs signals can be to 24V. This
requires limiting resistors.