EasyManua.ls Logo

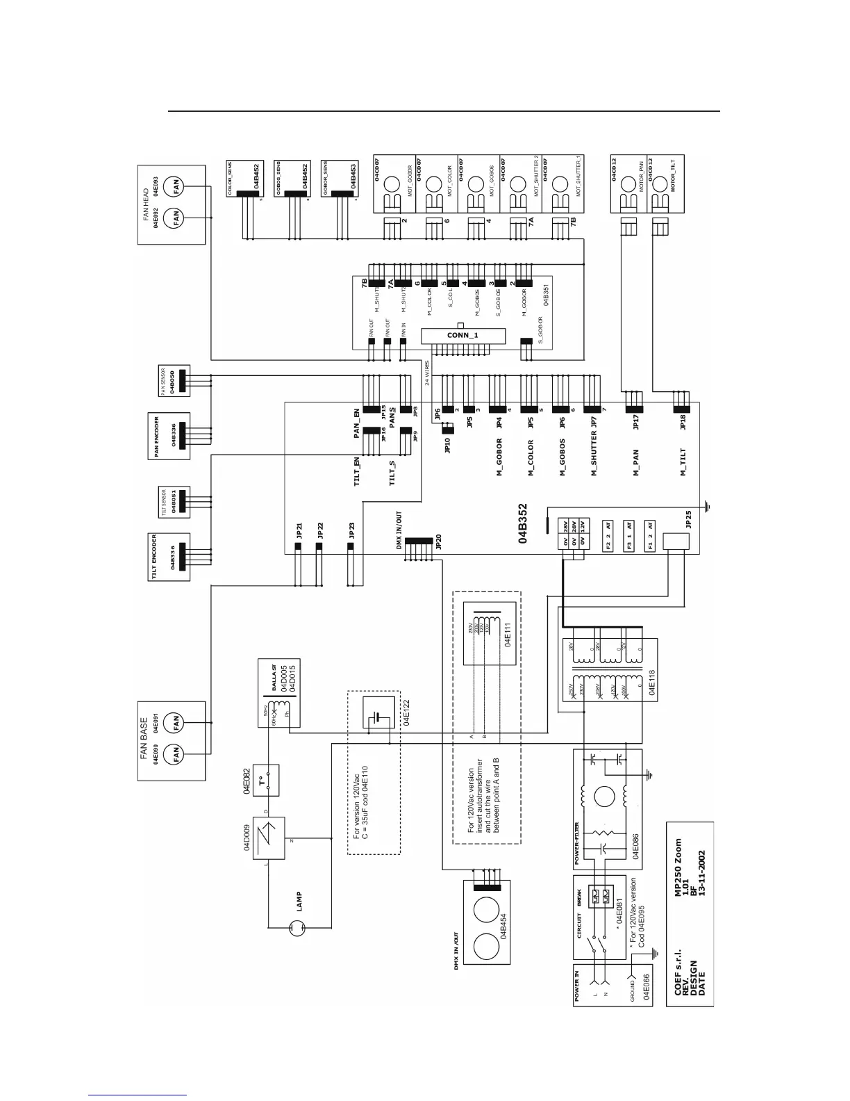
COEF MP250 ZOOM - Electric Diagram

COEF MP250 ZOOM
38 pages
Print Icon
To Next Page IconTo Next Page
To Next Page IconTo Next Page
To Previous Page IconTo Previous Page
To Previous Page IconTo Previous Page
Loading...
http://www.coef.it - info@coef.it Pag. 16
1.0 ELECTRIC DIAGRAM