EasyManua.ls Logo

Cola PETIT - Pronto Intervento

Cola PETIT
Print Icon
To Next Page IconTo Next Page
To Next Page IconTo Next Page
To Previous Page IconTo Previous Page
To Previous Page IconTo Previous Page
Loading...
PETIT
17
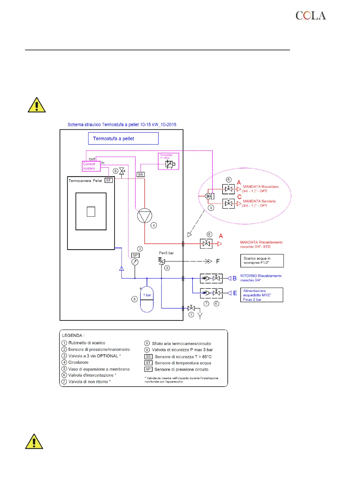
riscaldamento sia gestito a zone è indispensabile introdurre una centralina multizona disponibile su richiesta. Per
visualizzare il valore della pressione del circuito idraulico dell’apprecchio è sufficiente premere per 3 sec il tasto P5
del pannello di controllo.
Per collegare la termostufa ad un impianto sanitario si consiglia di rivolgersi ad un tecnico competente al fine di
ottimizzare al meglio i collegamenti idraulici e le prestazioni dell’intero impianto senza compromettere la funzionalità
dell’apparecchio. Per il collegamento al circuito sanitario è necessario installare una valvola a 3 vie motorizzata
esternamente alla stufa mentre non è funzionale il circuito con la pompa sanitario .
Per collegare l’elettrovalvola a 3 vie dell’impianto sanitario è necessario richiedere l’optional : scheda elettronica
supplementare mod. ‘O074’ per la gestione dei comandi.
Durante il trasporto della stufa si possono verificare allentamenti e/o cedimenti delle guarnizioni dell’impianto
idraulico causando delle perdite d’acqua durante il regolare funzionamento; a tale scopo si raccomanda sia
durante il caricamento d’acqua sia dopo le prime ore di funzionamento di controllare il serraggio delle ghiere di
attacco circolatori e termo camera nonché di scaricare i residui di aria rimasti nell’impianto .
2.10 Pronto intervento
Per ogni evenienza è consigliabile disporre di idonei dispositivi antincendio .
Se si manifesta un incendio procedere come segue :
- Scollegare immediatamente la presa di corrente .
- Spegnere tramite l’uso di estintori .
- Richiedere l’immediato intervento dei vigili del fuoco .
- Non spegnere il fuoco con l’uso di getti d’acqua .

Table of Contents

Related product manuals