EasyManua.ls Logo

Cola PETIT - Page 39

Cola PETIT
Print Icon
To Next Page IconTo Next Page
To Next Page IconTo Next Page
To Previous Page IconTo Previous Page
To Previous Page IconTo Previous Page
Loading...
PETIT
39
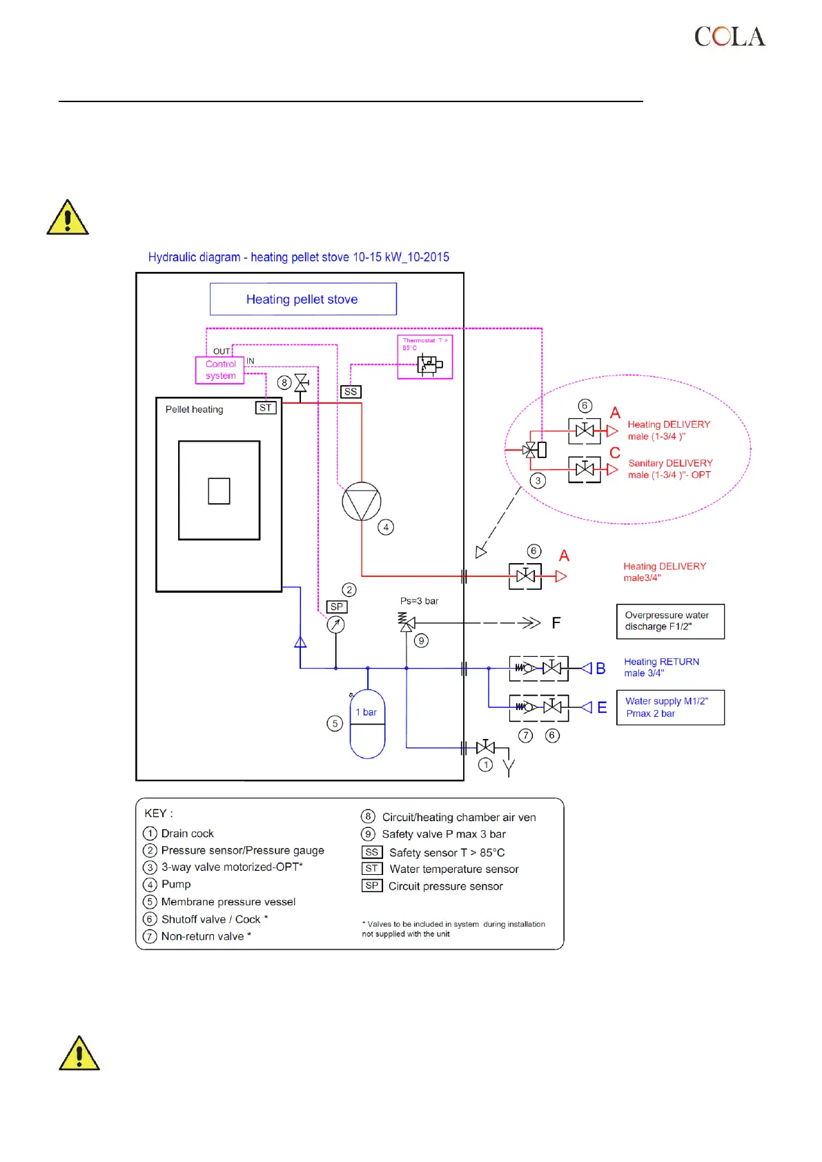
If the heating system is managed in zones a multi-zone controller, available on request, must be installed. To
display the boiler's water circuit pressure, just press the control panel button P5 for 3 seconds.
To connect the heating stove to a DHW system it is advisable to contact a competent technician in order to best
optimise the plumbing connections and the performance of the entire system without compromising stove operation.
For the connection to the DHW circuit it is necessary to install a monostable 3-way valve outside the stove whereas
the circuit is not functional with the DHW pump.
To connect the DHW system 3-way solenoid valve it is necessary to request the optional: supplementary electronic
board model ‘O074’ for management of commands .
During stove transport the gaskets in the plumbing system may come loose and/or break, causing water leaks during
normal operation; therefore make sure to check the tightness of the circulating pump and heating chamber connection
rings and vent the residual air during water filling and after the first hours of operation.
2.10 Emergency
Suitable fire-prevention devices should be arranged for any eventuality.
In case of a fire, proceed as follows:
- Immediately disconnect the plug.
- Extinguish the fire using fire-extinguishers.
- Call the fire department immediately.
- Do not use jets of waters to extinguish the fire.

Table of Contents

Related product manuals