EasyManua.ls Logo

ComAp intelilite nt amf20 - Binary Output Protections

ComAp intelilite nt amf20
145 pages
Print Icon
To Next Page IconTo Next Page
To Next Page IconTo Next Page
To Previous Page IconTo Previous Page
To Previous Page IconTo Previous Page
Loading...
InteliLite
NT
AMF20/25, SW version 2.2, ©ComAp September 2014 33
IL-NT-AMF-2.2-Reference Guide.pdf
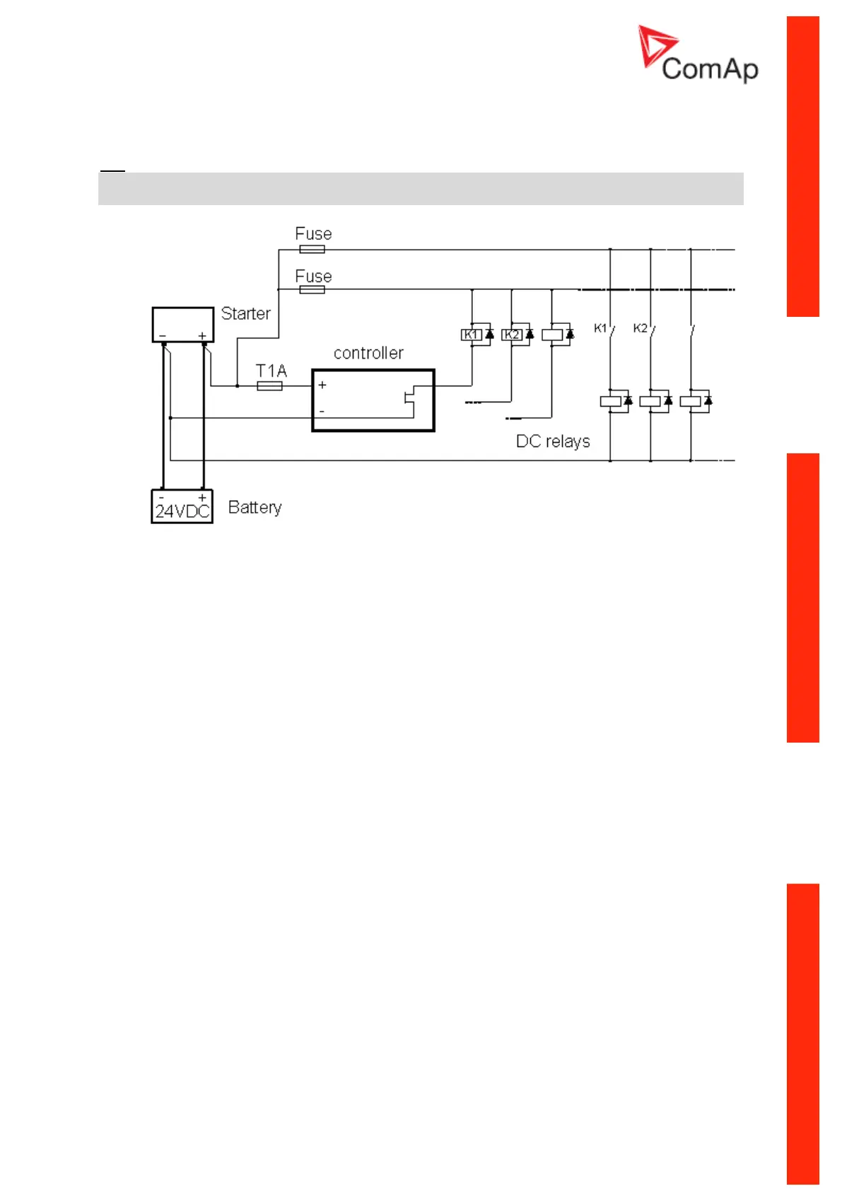
Binary output protections
Hint
Do not connect binary outputs directly to DC relays without protection diodes, even if they are not
connected directly to controller outputs.

Table of Contents

Related product manuals