EasyManua.ls Logo

CombiLift C3500kg - Page 53

CombiLift C3500kg
72 pages
Print Icon
To Next Page IconTo Next Page
To Next Page IconTo Next Page
To Previous Page IconTo Previous Page
To Previous Page IconTo Previous Page
Loading...
Combilift Ltd. C4000-C5000XL O&S Manual
5-10
C4000-OM-EN-08
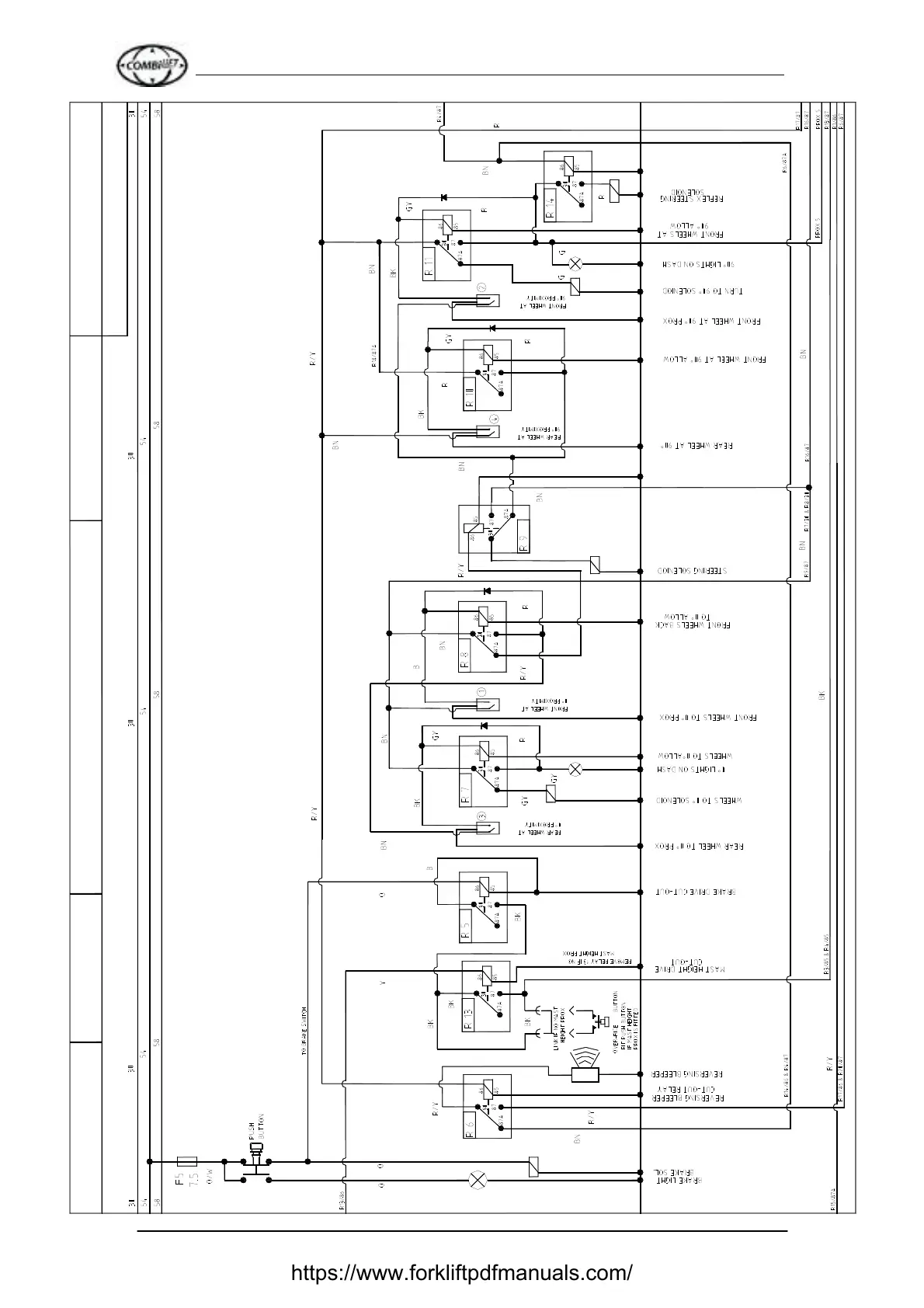
COMBILIFT LTD Title: KUBOTA Diesel Electric CircuitModel: C4000 Section: 2 (of 3)
Revision Date:14/11/11
Drawn By : David Murray
https://www.forkliftpdfmanuals.com/

Related product manuals