EasyManua.ls Logo

CombiLift C3500kg - LPG Electric Circuit (PLC)

CombiLift C3500kg
72 pages
Print Icon
To Next Page IconTo Next Page
To Next Page IconTo Next Page
To Previous Page IconTo Previous Page
To Previous Page IconTo Previous Page
Loading...
Combilift Ltd. C4000-C5000XL O&S Manual
5-20
C4000-OM-EN-08
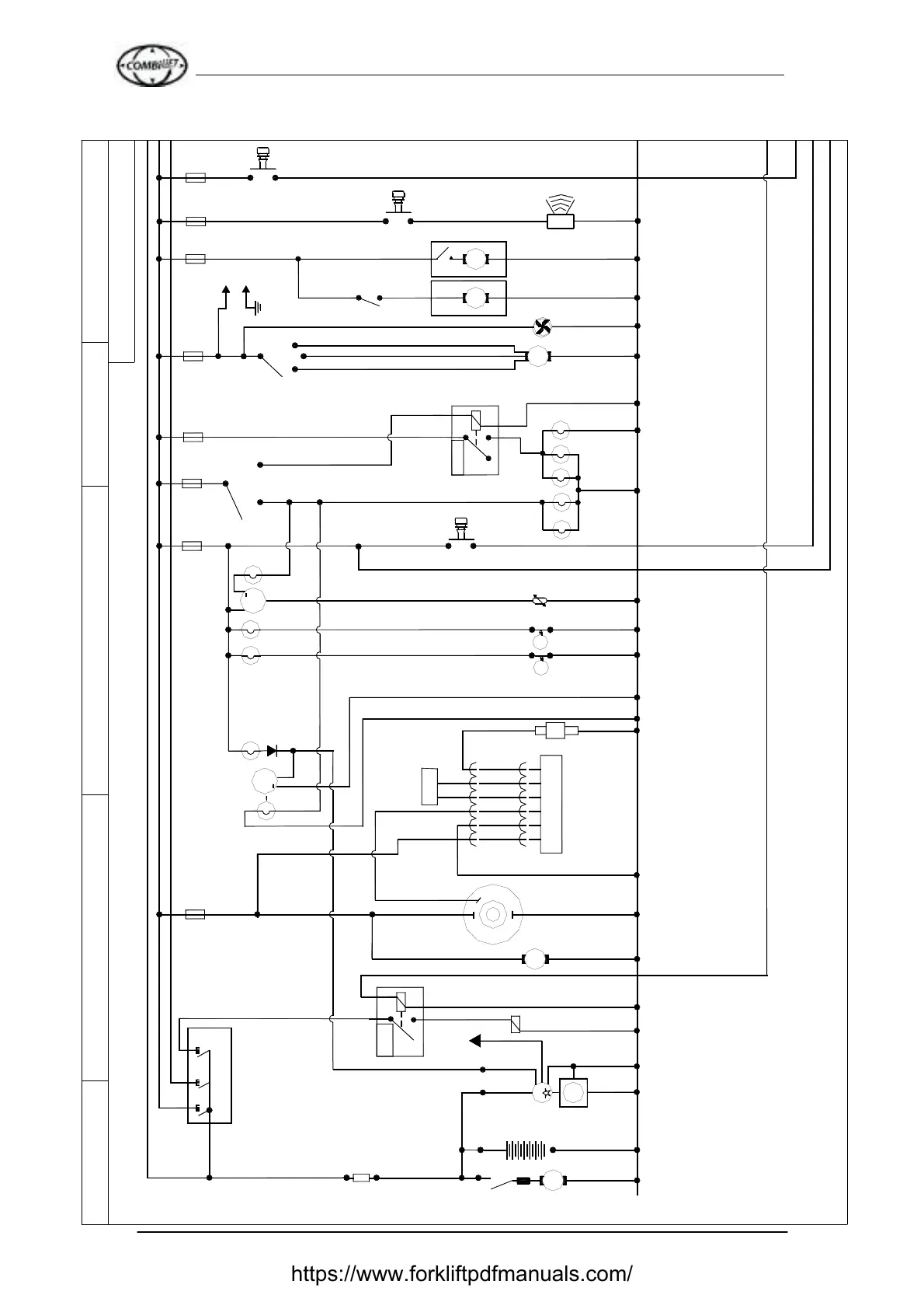
5.13: LPG Electric Circuit (PLC):
Title: GM LPG Electric Circuit (PLC)
STARTER SOLENOID
BATTERY
STARTER MOTOR
NEG
ALTERNATOR
GAS IGNITION COIL
FUEL PUMP
TEMPERATURE GUAGE
DASH PANEL
LOW FUEL GUAGE
OIL GUAGE
30
50A
NEUTRAL
Model: C4000 - C5000 & C5000XL
87A
EXC
80
M
30
G
K
-ve
B++ve D+
amp
Fuse
Main
BN
TO F2
R 1
GY
BN
30
IGNITION
SWITCH
COMBILIFT LTD
FCV
5
FUEL COMMANDER
M
1 324
87
R
85
30
86
R
R
V
B
Y
P
6
P
R
O
V
G
GR
V
H
7.5
R
R
58
54
F3
7.5
FUEL
+
BN
CHARGE
R
R
+
OIL
S
T
R
30
58
54
F1
SPARE SPOTLIGHT
R
SPOTLIGHTS
CAB FAN
CAB HEATER
R
HORN
WIPER
WIPER
R
30
86
BN
MAST
HEIGHT
O/R
V
87
87A
m
85
BN
R 22
R
R
R
YV
V
mm
O
Revision Date:09/06/11
Drawn By : David Murray
SUPPLY FOR RADIO
20
R
1
0
3
R
0
2
3
4
BN
O
O
Section: 1 (of 2)
F7
15
F8
F9
7.5
7.5
7.5
20
RR
P
O
PRKNG
BRAKE
O
30
58
F6
54
F10
F5
https://www.forkliftpdfmanuals.com/

Related product manuals