EasyManua.ls Logo

CombiLift C3500kg - Tier IV LPG Electric Circuit (PLC)

CombiLift C3500kg
72 pages
Print Icon
To Next Page IconTo Next Page
To Next Page IconTo Next Page
To Previous Page IconTo Previous Page
To Previous Page IconTo Previous Page
Loading...
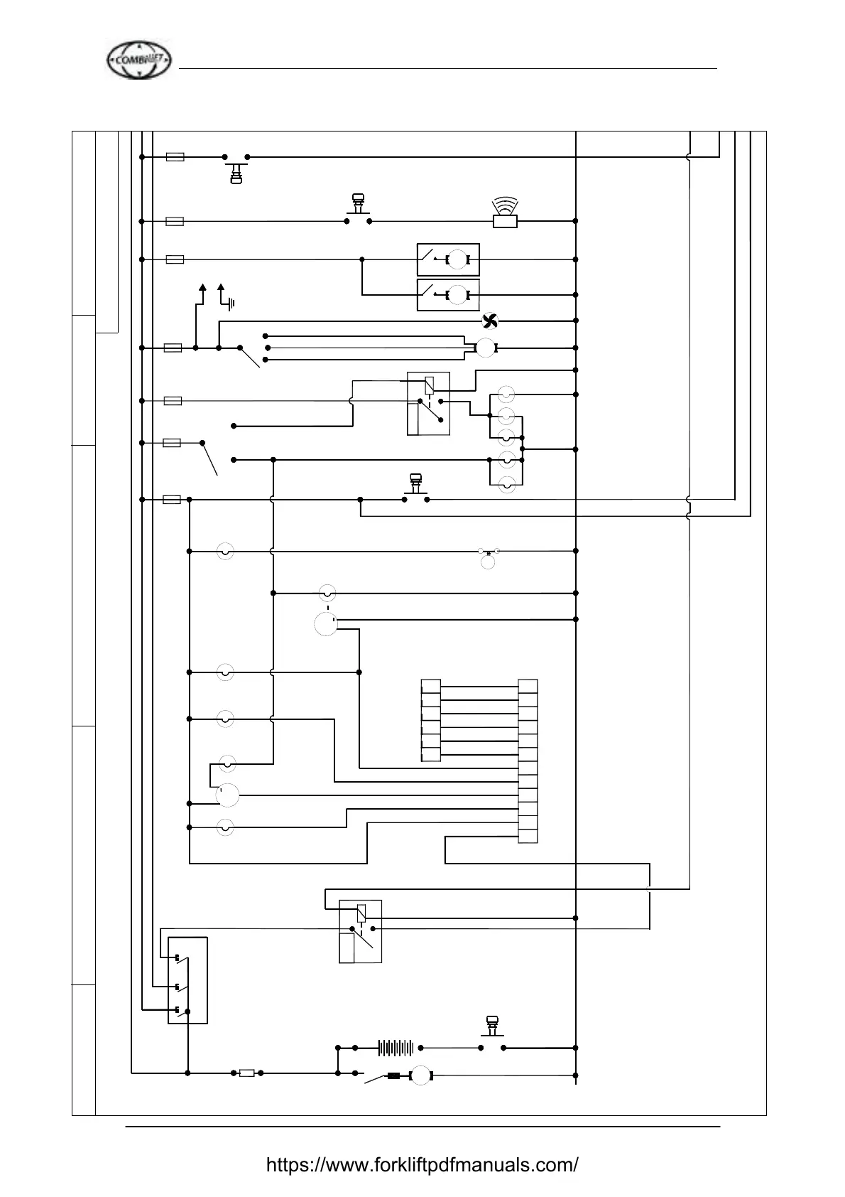
Combilift Ltd. C4000-C5000XL O&S Manual
5-22
C4000-OM-EN-08
Revision Date:17/08/12
Drawn By : David Murray
Section: 1 (of 2)
Title: GM LPG Tier IV (PLC)
Model: C4000 - C5000 & C5000XL
COMBILIFT LTD
R
R
R
O
R
BA
BN
YGW
RBK
654321
SRJKMLEGC
F
FOOT PEDAL
CURTIS
VEHICLE INTERFACE CONNECTOR
R
RR
GY G B
V
LOW FUEL GUAGE
P
FUEL
+
R
H
O
OIL LIGHT
METER
HOUR
G/Y
CHARGE
GY
R
+
S
G
T
V
TEMP
LIGHT
MIL
B
LIGHT
R
BN
MAST
+ve
30
STARTER MOTOR
NEG
M
BATTERY
-ve
SPOTLIGHTS
O/R
HEIGHT
WIPER
CAB HEATER
WIPER
m
87
87A
85
m m
80
Fuse
amp
Main
87A
87
30
R 1
85
86
IGNITION
SWITCH
30
50A
54
58
30
1
0
30
R 22
86
1
2
3
3
0
58
30
54
7.5
F1
15
F7
20
F6
7.5
F9
15
F8
7.5
F5
58
54
30
O
O
R
R
R
R
R
R
R
V
SPARE SPOTLIGHT
BN
BN
R
R
R
R
BN
BN
BN
O
SUPPLY FOR RADIO
CAB FAN
R
YV
ISOLATER
KEY SWITCH
O
HORN
V
7.5
P
F10
5.14: Tier IV LPG Electric Circuit (PLC)
https://www.forkliftpdfmanuals.com/

Related product manuals