EasyManua.ls Logo

CombiLift C3500kg - Page 56

CombiLift C3500kg
72 pages
Print Icon
To Next Page IconTo Next Page
To Next Page IconTo Next Page
To Previous Page IconTo Previous Page
To Previous Page IconTo Previous Page
Loading...
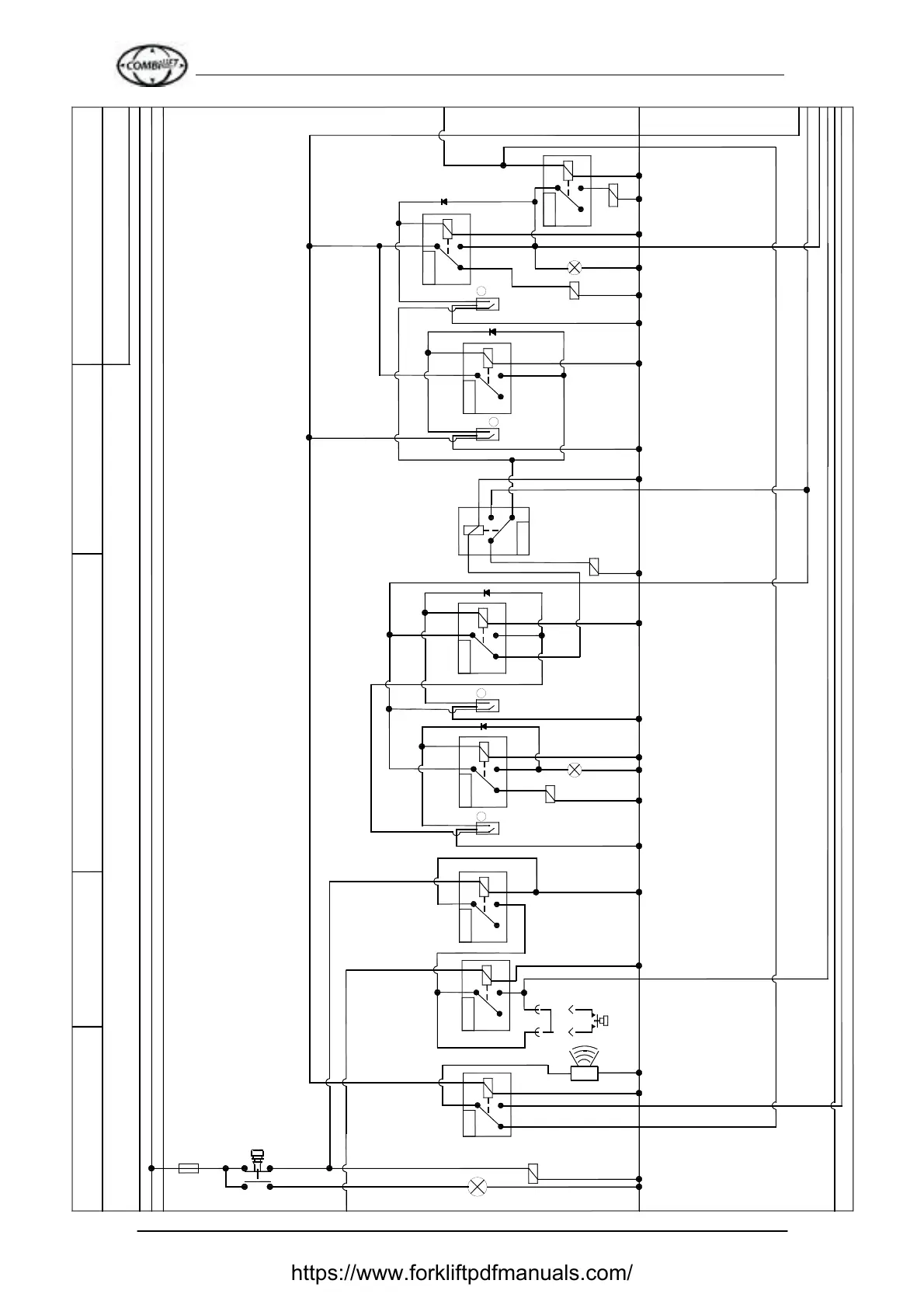
Combilift Ltd. C4000-C5000XL O&S Manual
5-13
C4000-OM-EN-08
BN
87A
30
87
RELAY 9
R
BN
FRONT WHEEL AT
REAR WHEEL AT
RELAY 10
R
87
87A
30
4
GY
2
85
86
90° PROXIMITY
90° PROXIMITY
R
BK
BN
GY
RELAY 11
R4/87
85
87
87A
30
86
R
BN
87A
RELAY 14
G
G
85
87
86
30
FRONT WHEELS BACK
MAST HEIGHT DRIVE
R3/85 & R4/85
BRAKE SOL.
BRAKE LIGHT
REVERSING BLEEPER
REVERSING BLEEPER
CUT-OUT RELAY
FIT PUSH BUTTON
IF MAST HEIGHT
PROX IS FITTED
OVER-RIDE
BUTTON
R15/87A
R14/86 & R4/87
R/Y
R20/87
WHEELS TO 0° SOLENOID
REAR WHEEL TO 0° PROX
CUT-OUT
BRAKE DRIVE CUT-OUT
FRONT WHEELS 0° PROX
0° LIGHTS ON DASH
WHEELS TO 0°ALLOW
BN
BK
STEERING SOLENIOD
TO 0° ALLOW
TURN TO 90° SOLENIOD
FRONT WHEEL 90° ALLOW
FRONT WHEEL 90° PROX
REAR WHEEL AT 90°
BN
R9/87
R7/30 & R8/30
R16/87
BN
REFLEX STEERING
SOLENOID
FRONT WHEELS AT
90° LIGHTS ON DASH
90° ALLOW
PROX 5
G
PROX 5
R16/87
R17/87
R6/87A
R1/86
R6/87
R13/87
R
MAST HEIGHT PROX
REMOVE RELAY 13 IF NO
Title: GM LPG Electric Circuit
PUSH
Model: C4000COMBILIFT LTD
F5
54
30
58
7.5
O/W
30
54
58
54
30
58
TO BRAKE SWITCH
BK
R/Y
TURN
O
O
Y
RELAY 6
85
86
87
87A
30
BK
RELAY 13
87
87A
30
85
86
BN
R/Y
LINK IF NO MAST
BK
HEIGHT PROX
GY
B
BK
R/Y
O
BN
BN
BK
RELAY 7
GY
REAR WHEEL AT
BK
85
86
RELAY 5
87
87A
30
3
0° PROXIMITY
FRONT WHEEL AT
86
85
87A
87
30
RELAY 8
BN
87
30
1
87A
GY
R
0° PROXIMITY
R/Y
Drawn By : David Murray
Revision Date:03/02/12
Section: 2 (of 3)
30
54
58
58
30
54
BN
R/Y
R18/87A
BK
86
86
R/Y
85
85
https://www.forkliftpdfmanuals.com/

Related product manuals