EasyManua.ls Logo

CombiLift C5000XL - Standard LPG Electric Circuit

Default Icon
72 pages
Print Icon
To Next Page IconTo Next Page
To Next Page IconTo Next Page
To Previous Page IconTo Previous Page
To Previous Page IconTo Previous Page
Loading...
Combilift Ltd. C4000-C5000XL O&S Manual
5-12
C4000-OM-EN-08
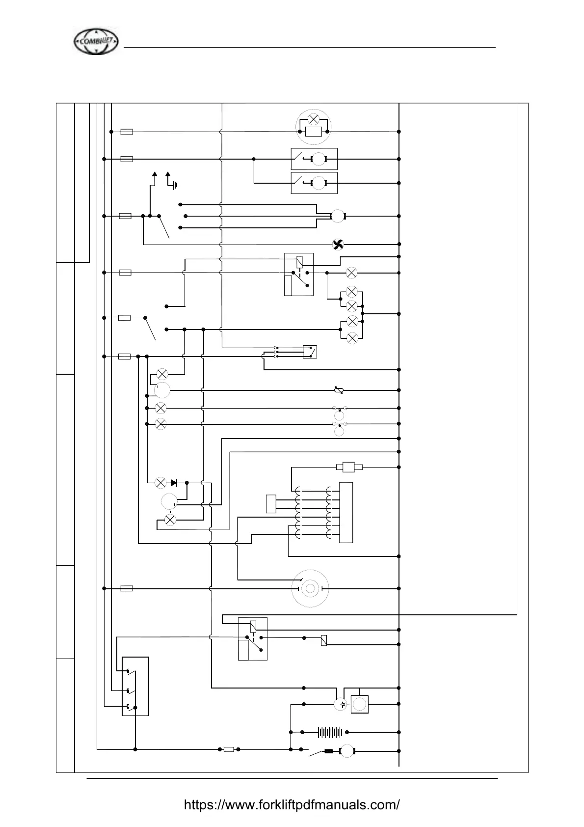
5.10: Standard LPG Electric Circuit:
58
BN
653421
FUEL COMMANDER
GAS IGNITION COIL
DASH PANEL
SGO SENSOR
LOW FUEL GUAGE
PP
Y
R
BK
W
R
7.5
F3
58
BN
V
FCV
G
CHARGE
GY
H
R
+
O
R
R
58
87A
SPOTLIGHTS
OIL GUAGE
MAST HEIGHT PROX IF FITTED
TEMPERATURE GUAGE
Sender
3 PIN PLUG
CAB HEATER
CAB FAN
EXTRA SPOTLIGHT IF FITTED
V
BN
m
3
R
BN
B
R13/86
BK
F1
S
T
+
G
OIL
7.5
58
BN
R
1
0
R
15
F7
R
86
85
RELAY 22
87
30
R
Y
R
15
F8
R
0
2
3
7.5
F9
BN
ZD1
R15/87A
WIPER
WIPER
FLASHING BEACON
m m
V
R
SUPPLY FOR RADIO
4
R
20
F6
R/Y
7.5
F13
58
Title: GM LPG Electric CircuitModel: C4000COMBILIFT LTD
30 30 30
Drawn By : David Murray
Revision Date:03/02/12
Section: 1 (of 3)
30 30
5454 54
B
54 54
FUEL
V
R/Y
R15/87A
STARTER MOTOR
BATTERY
NEG
M
-ve
ALTERNATOR
STARTER SOLENOID
K
G
30
30
BN
+ve
AMP
MAIN
FUSE
80
BN
B+ D+
GY
85
87
R
87A
50
30
RELAY 1
NEUTRAL
R/Y
86
50A
SWITCH
IGNITION
https://www.forkliftpdfmanuals.com/

Related product manuals