EasyManua.ls Logo

CombiLift C5000XL - Diesel Electric Circuit (PLC)

Default Icon
72 pages
Print Icon
To Next Page IconTo Next Page
To Next Page IconTo Next Page
To Previous Page IconTo Previous Page
To Previous Page IconTo Previous Page
Loading...
Combilift Ltd. C4000-C5000XL O&S Manual
5-18
C4000-OM-EN-08
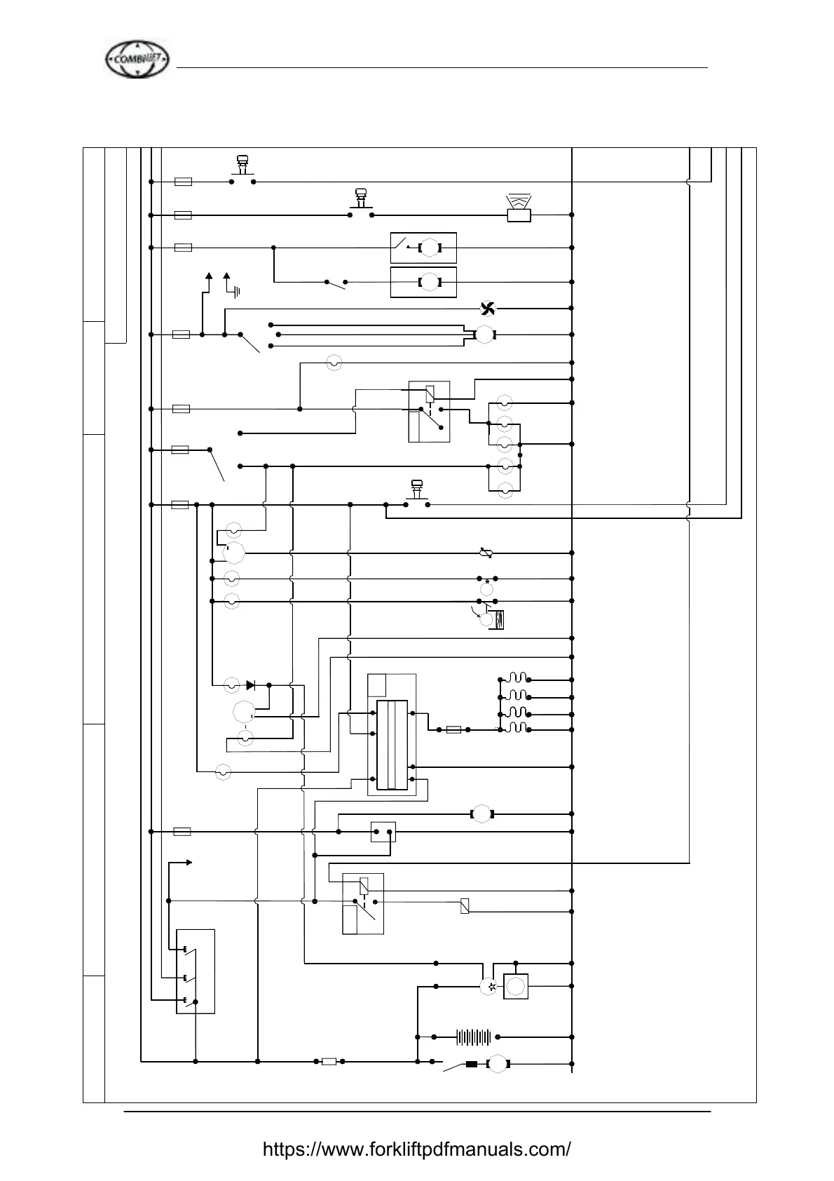
5.12: Diesel Electric Circuit (PLC):
R
R
m
m
Y
R
V
R
V
m
20
F7
R
+
S
T
0
1
7.5
F1
R
3
20
F8
R
0
4
2
3
O
P
R
SUPPLY FOR RADIO
O
BN
7.5
F9
O
O
20
F6
7.5
F10
Title: Kub Diesel Electric Circuit (PLC)
30
54
30
54
Section: 1 of 2
54
F5
SWITCH
IGNITION
D+
Model: C4000 - C5000 & C5000XL
ALTERNATOR
STARTER MOTOR
NEG
BATTERY
Fuse
B++ve
30
M
G
-ve
K
BN
80
Main
amp
GY
BN
30
COMBILIFT LTD
FUEL PUMP
PULL/HOLD SOLENOID
STARTER SOLENOID
DASH PANEL
OIL GUAGE
LOW FUEL GUAGE
GLOW
SPOTLIGHTS
SPARE SPOTLIGHT
TEMPERATURE GUAGE
CAB HEATER
CABIN INTERIOR LIGHT
R
WIPER
CAB FAN
WIPER
HORN
R
R
R
O
7.5
Drawn By : David Murray
Revision Date:09/06/11
PRKNG
BRAKE
58
58
58
R
6
GLOW PLUG TIMER RELAY
M
R
87A
R 1
30
86
85
87
PULL
7
50 85
HOLD
2
30
R
R
GLOW PLUGS
50A
STRIP FUSE ON
TIMER BASE.
P
F
87
R
T
8
L
4
86
3
R 2
VO
R
NEUTRAL
R
R
P
(White Wire)
Disconnected
50A
R
GLOW
10
F3
+
BN
CHARGE
H
R
R
FUEL
R
OIL
87A
85
HEIGHT
O/R
R
BN
V
BN
GR
MAST
R 22
86
30
87
https://www.forkliftpdfmanuals.com/

Related product manuals