EasyManua.ls Logo

CombiLift C5000XL - Page 60

Default Icon
72 pages
Print Icon
To Next Page IconTo Next Page
To Next Page IconTo Next Page
To Previous Page IconTo Previous Page
To Previous Page IconTo Previous Page
Loading...
Combilift Ltd. C4000-C5000XL O&S Manual
5-17
C4000-OM-EN-08
R
7.57.5
20
R/Y
FORWARD SOLENOID
R16/87
PROX 5
R13/87
R17/87
R6/87
R1/86
BK
FWD
BK
REVERSE SOLENOID
R13/87
R14/86
BK
R1/86
BK
REV
BK
86
85
R4/87
W
R
R 3
30
87A
87
W
87A
R 12
87
BN
B
85
BN
R
30
86
30
87
R
R 4
87A
BN
R
BN
86
85
87A
R 15
W
F4
30
58
54
F12 F2
30
58
54
R17/86 & R6/87
R 20
87A
R/Y
R13/87
R11/30
R21/86
DIVERTER SOLENIOD
R6/87
R20/87
10/30
DIVERTER SOL
30
87
GY
BN
BN
30
86
85
87
R 16
87A
30
87
BN
BN
86
85
87A
R 17
BN
R
G
86
85
G
R 18
87A
R
86
30
85
87
G
R
R16/86
CAROUSEL LIGHT
CAROUSEL PROXIMITY SWITCH
R14/30
86
85
R 21
86
30
85
87
R 19
30
87A
87
5
R/Y
86
85
30
87A
87
58
30
54 54
30
58
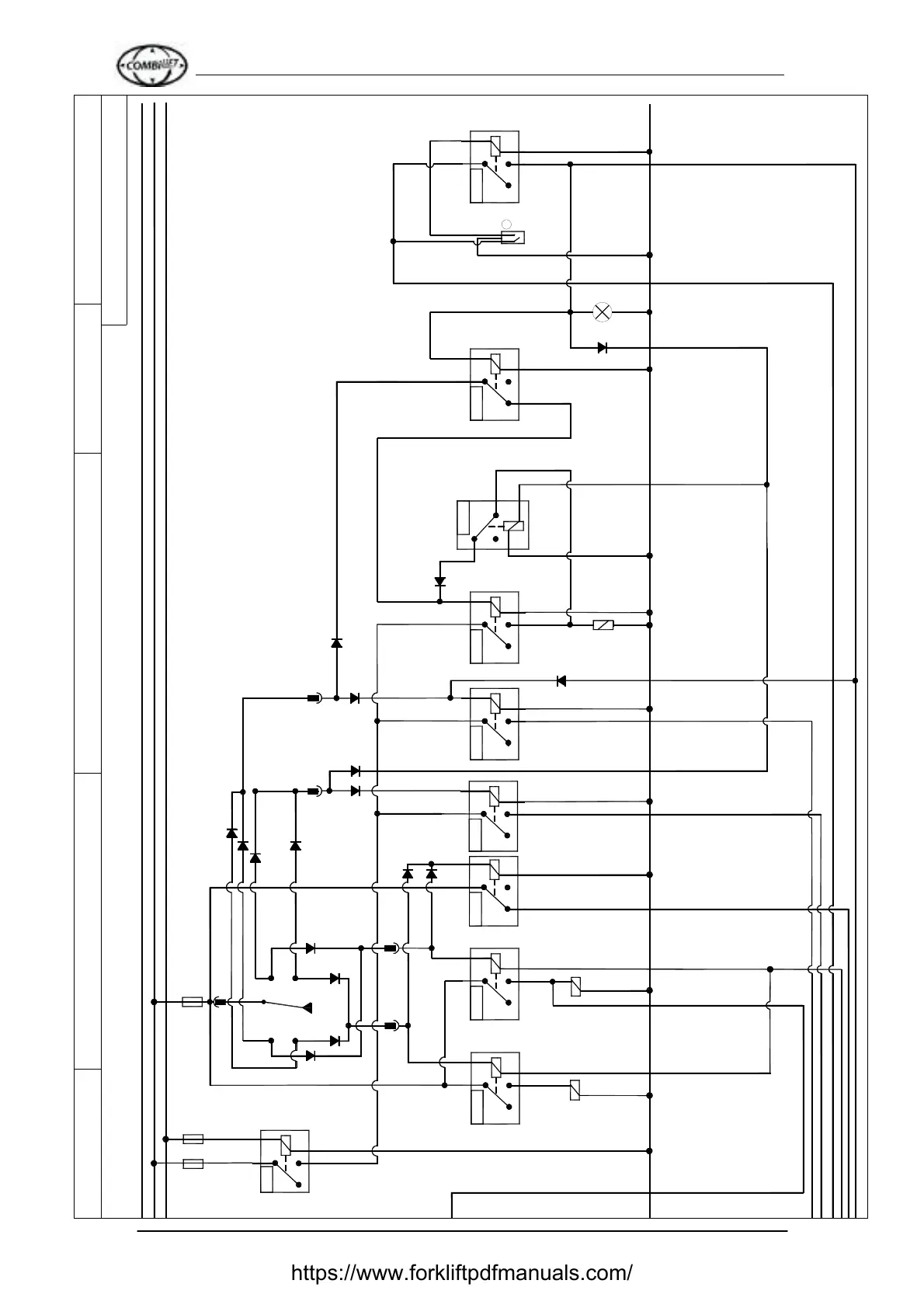
Revision Date:17/08/12
Drawn By : David Murray
Section: 3 (of 3)
Title: GM LPG Tier IV (RELAYS)
Model: C4000 - C5000 & C5000XL
COMBILIFT LTD
https://www.forkliftpdfmanuals.com/

Related product manuals