EasyManua.ls Logo

CombiLift C5000XL - Page 59

Default Icon
72 pages
Print Icon
To Next Page IconTo Next Page
To Next Page IconTo Next Page
To Previous Page IconTo Previous Page
To Previous Page IconTo Previous Page
Loading...
Combilift Ltd. C4000-C5000XL O&S Manual
5-16
C4000-OM-EN-08
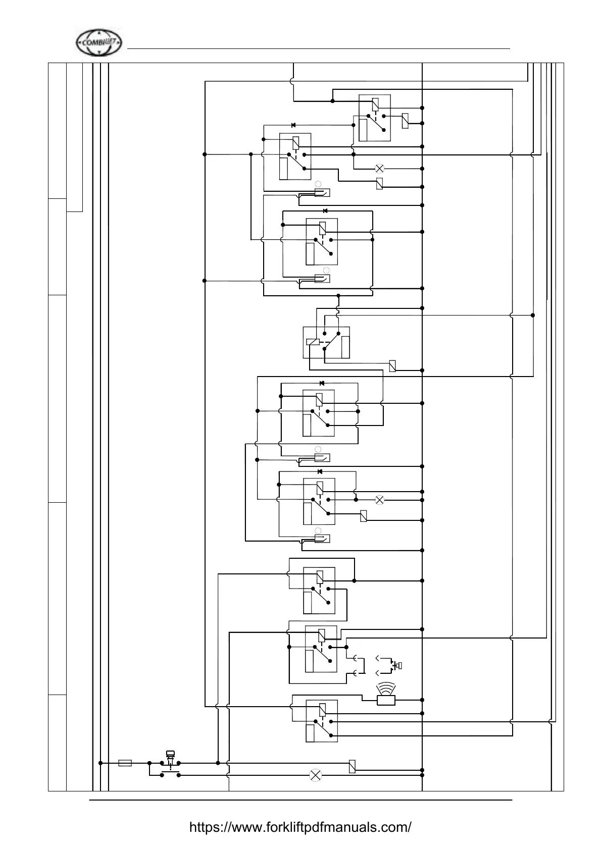
7.5
R7/30 & R8/30
85
87A
87
B
R/Y
OVER-RIDE
LINK IF NO MAST
HEIGHT PROX
FIT PUSH BUTTON
IF MAST HEIGHT
PROX IS FITTED
REVERSING BLEEPER
REVERSING BLEEPER
CUT-OUT RELAY
BRAKE SOL.
BRAKE LIGHT
R15/87A
R20/87
R/Y
R14/86 & R4/87
R/Y
BRAKE DRIVE CUT-OUT
CUT-OUT
MAST HEIGHT DRIVE
R3/85 & R4/85
MAST HEIGHT PROX
REMOVE RELAY 13 IF NO
BUTTON
R
BN
R/Y
BN
RELAY 11
87A
GY
R
2
BK
87
85
R
30
86
GY
R13/87
R16/87
R17/87
PROX 5
R6/87
R1/86
86
85
R4/87
58
30
58
54
F5
30
54
58
30
54
30
54
58
30
58
54
Revision Date:17/08/12
Drawn By : David Murray
Section: 2 (of 3)
Title: GM LPG Tier IV (RELAYS)
Model: C4000 - C5000 & C5000XL
COMBILIFT LTD
RELAY 6
BN
O
O
30
86
87A
85
87
R/Y
R13/86
O/W
TURN
PUSH
BK
30
87
RELAY 13
87A
BK
86
85
BK
Y
87A
RELAY 5
BK
30
86
85
87
O
TO BRAKE SWITCH
0° PROXIMITY
FRONT WHEEL AT
0° PROXIMITY
REAR WHEEL AT
BK
FRONT WHEELS 0° PROX
WHEELS TO 0°ALLOW
0° LIGHTS ON DASH
REAR WHEEL TO 0° PROX
WHEELS TO 0° SOLENOID
GY
STEERING SOLENIOD
TO 0° ALLOW
FRONT WHEELS BACK
BN
R9/87
BN
1
87A
3
RELAY 7
GY
BN
BK
R
30
87
86
85
GY
BN
RELAY 8
87A
R/Y
86
30
87
85
BK
BN
R/Y
R
86
30
RELAY 9
R6/87A
BN
FRONT WHEEL AT
90° PROXIMITY
BN
REAR WHEEL AT
90° PROXIMITY
BN
FRONT WHEEL 90° ALLOW
REAR WHEEL AT 90°
R16/87
90° ALLOW
FRONT WHEELS AT
SOLENOID
REFLEX STEERING
TURN TO 90° SOLENIOD
FRONT WHEEL 90° PROX
90° LIGHTS ON DASH
G
PROX 5
G
RELAY 14
G
30
87A
87
R
R18/87A
BN
RELAY 10
87A
4
30
87
86
85
BK
https://www.forkliftpdfmanuals.com/

Related product manuals