EasyManua.ls Logo

Comco MicroBlaster MB1000 - Page 102

Default Icon
102 pages
Print Icon
To Previous Page IconTo Previous Page
To Previous Page IconTo Previous Page
Loading...
Appendix C: Workstations MicroBlaster MB1000
Comco Inc. C-8 Issue Date: July 2016
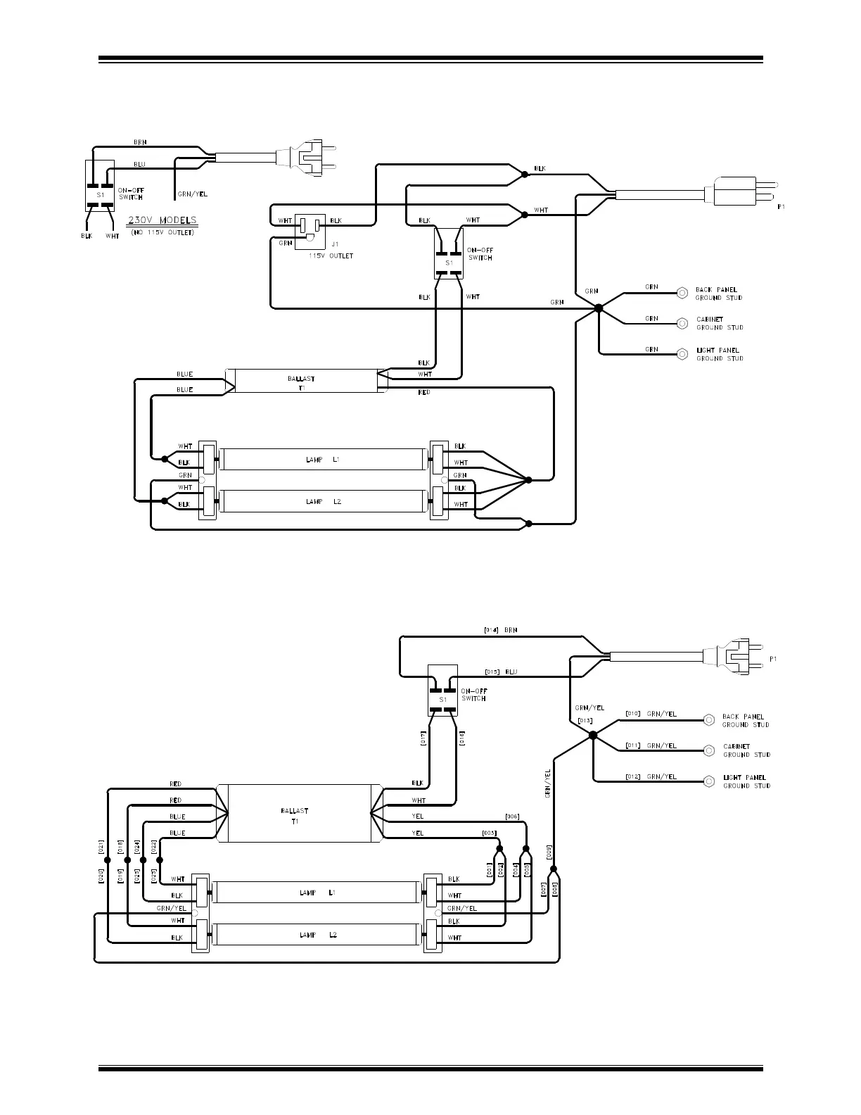
WS6000 series ClearView WorkStation 115 or 230V
For 230V CE compliant ClearView WorkStation see below
WS6000 series ClearView WorkStation 230V CE Compliant