EasyManua.ls Logo

compa FC 300 RAP - 12 Schémas Électriques

compa FC 300 RAP
Print Icon
To Next Page IconTo Next Page
To Next Page IconTo Next Page
To Previous Page IconTo Previous Page
To Previous Page IconTo Previous Page
Loading...
Manuale d’uso
Operator’s handbook
Mode d’emploi
COMPA TECH S.r.l.
Web: www.compasaw.com - E-mail: info@compasaw.com
Tel. (+39) 059 527887 - Fax (+39) 059527889
- 54 -
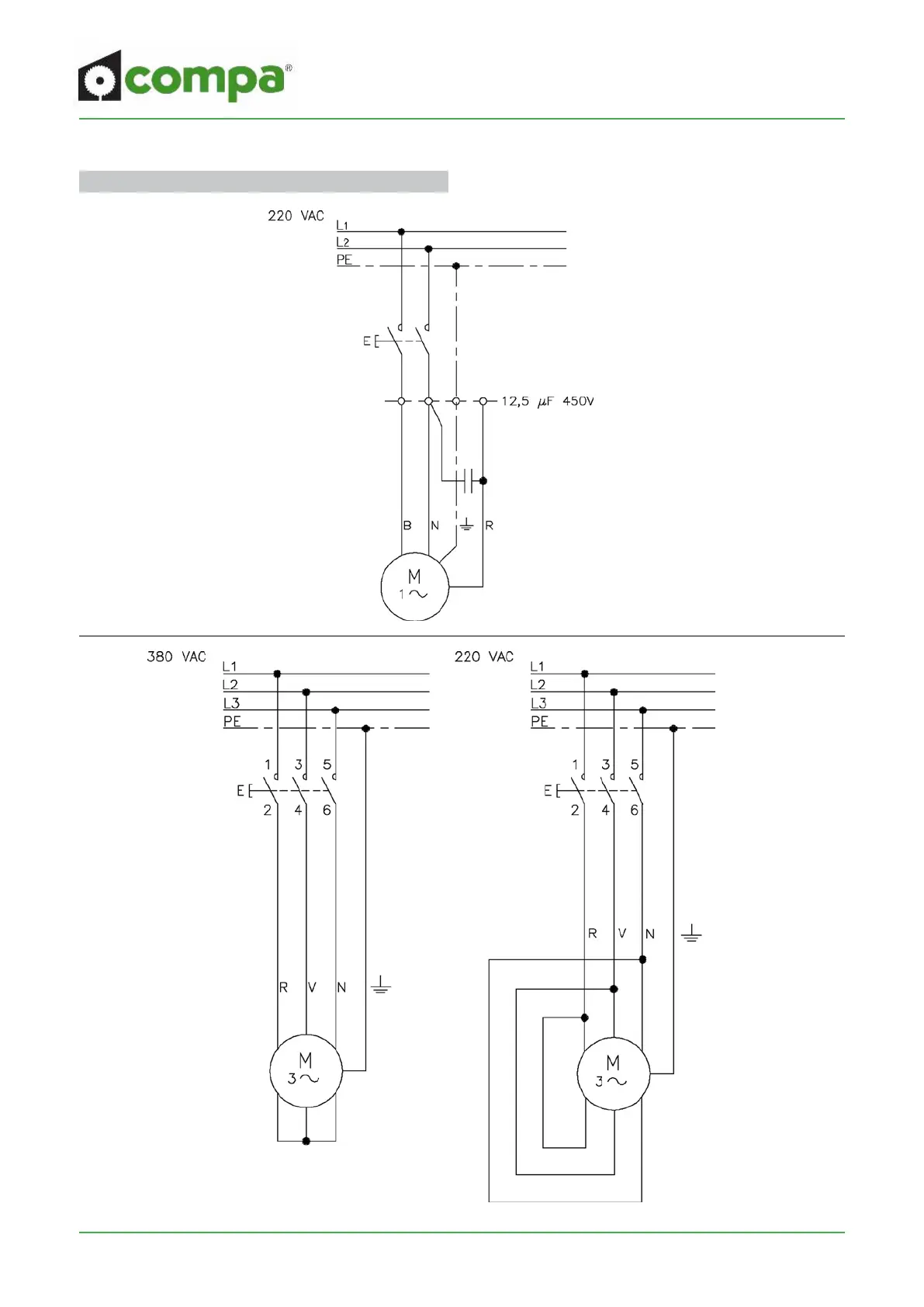
12. SCHÉMAS ÉLECTRIQUES

Table of Contents

Related product manuals